DIN 3840 Swing Check Valve, DN100, PN25, ASTM A351 CF8, BW

DIN 3840 Swing Check Valve, DN100, PN25, ASTM A351 CF8, BW

Key Specifications / Features

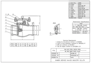
DN100 PN25 check valve is made according to DIN 3840 standard. The valve body is made of ASTM A351 CF8. It has the structural characteristics of bolt cover, swing type and structural length of 350mm. Its connection mode is BW.
Request a quote

Quick Detail

Product Description
Type Check Valve
Size DN100
Pressure PN25
Connection BW
Body Material ASTM A351 CF8
Design Norm DIN3840
Face to Face Dimension DIN3202-F1
BW End EN12627
Test & Inspection Code EN12266-1/2
Temperature -29 - 425°C
Applicable Medium Water, Oil and Gas

Detail Information

DN100 PN25 Swing Check Valve BW CF8 DIN 3840 Cast Steel

Features

1. Effectively preventing media backflow in pipelines;
2. The closing stroke of the valve disc is short, significantly reducing water hammer phenomenon.

Technical Drawing



Dimension Checking



Pressure Testing



Nameplate & Packing



Inspection report









 

Similar Products

Related Searches

Products you might also like

Send your message to this supplier