ASTM A995 5A Dual Plate Check Valve, 3 Inch, 150 LB, API 594

ASTM A995 5A Dual Plate Check Valve, 3 Inch, 150 LB, API 594

Key Specifications / Features

We Provide ASTM A995 5A Dual Plate Check Valves, Built-in Dual Plate Wafer Check Valves, 3 Inch, DN75, Class 150 LB, PN20, API 594, ASTM A995 5A.
Request a quote

Quick Detail

Type Wafer Check Valve
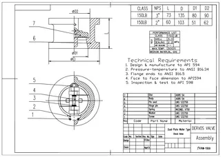
Size 3"
Pressure 150LB
Connection Wafer Type
Body Material A995 5A
Design Norm API 594
Pressure-temperature ANSI B16.34
Flange ends ANSI B16.5
Face-to-face dimension API 594
Test & Inspection Code API 598
MAX. TEMP. 300°C
Applicable Medium Water, Oil and Gas

Detail Information

API 594 3" 150 LB Dual Plate Wafer Check Valve A995 5A

Introduction

3" 150 LB wafer check valve is made according to API 594 standards. The valve body is made of A995 5A. It has the structural characteristics of a dual plate and built-in type. Its connection mode is wafer type.

Features

1. Large load variation and small opening and closing frequency.
2. Once put into the closed or open state, the applicable period is very long, and no movement of moving parts is required.

Technical Drawing



Dimension Checking
 

Pressure Testing
 

Nameplate & Packing
 

Inspection report









 

Keywords of ASTM A995 5A Dual Plate Check Valve, 3 Inch, 150 LB, API 594

3" 150LB Dual Plate Wafer Check Valve
API594 Dual Plate Wafer Check Valve
High Quality 6 Inch Double Wafer Check Valve
Double Flanged Dual Plate Check Valve
 

Similar Products

Related Searches

Products you might also like

Send your message to this supplier