ASTM A351 CF8M Wafer Check Valve, API 594, 10 Inch, 150 LB

ASTM A351 CF8M Wafer Check Valve, API 594, 10 Inch, 150 LB

Key Specifications / Features

We Provide ASTM A351 CF8M Wafer Check Valves, ASTM A351 CF8M Dual Plate Wafer Check Valves, 10 Inch, DN250, CLass 150 LB, API 594, Wafer RF Type.
Request a quote

Quick Detail

Type Wafer Check Valve
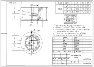
Size 10"
Pressure 150LB
Connection Wafer RF Type
Body Material A351 CF8M
Design Norm API 594
Pressure-temperature ANSI B16.34
Flange Ends Dimension ANSI B16.5
Face to Face Dimension API 594
Test & Inspection Code API 598
Temperature ≤200°C
Applicable Medium Water, Oil and Gas

Detail Information

CF8M 10" 150 LB Dual Plate Wafer Check Valve API 594

Introduction

10 Inch 1500 LB gate valve is made according to API 594 standard. The valve body is made of ASTM A351 CF8M. It has the structural characteristics of a dual plate and built-in type. Its connection mode is wafer RF type.

Features

1. Small size, lightweight, compact structure and convenient maintenance;
2. Good check performance, safety and reliability, small flow resistance coefficient, reliable sealing performance and long service life.

Technical Drawing



Dimension Checking



Pressure Testing



Painting



Nameplate & Packing



Inspection report








 







 

Keywords of ASTM A351 CF8M Wafer Check Valve, API 594, 10 Inch, 150 LB

10" Dual Plate Wafer Check Valve
150LB Dual Plate Wafer Check Valve
CF8M Wafer Check Valve
API594 Wafer Check Valve
API 598 Wafer Check Valve
150LB Wafer RF Type Check Valve
 

Send your message to this supplier

FAQs

Similar Products

Related Searches

Products you might also like