Cast Steel Gate Valves: DIN EN 12516-1, BS EN ISO 10434, EN1984

Cast Steel Gate Valves: DIN EN 12516-1, BS EN ISO 10434, EN1984

Key Specifications / Features

Cast Steel Gate Valves: DIN EN 12516-1, BS EN 12516.1, BS EN ISO 10434, EN1984, (non-)Rising Stem, Bolted Bonnet, Flanged Ends, DN 25 - DN 1200, PN 10 - PN 160, or as customer required.
Request a quote PDF

Detail Information

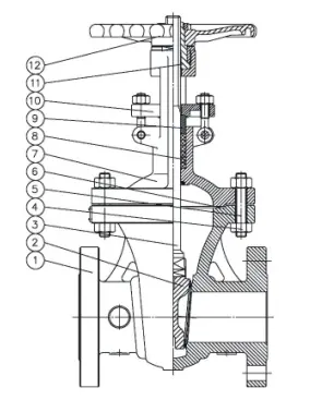
Drawing: Cast Steel Gate Valves, DIN EN 12516-1, BS EN ISO 10434, EN1984

ValveType: DIN Gate Valve.

Valve Size: DN 25-DN 1200.
Pressure Rating: PN 10-PN 160.
 
Standards:
Design & Manufacture DIN EN 12516-1, 
BS EN 12516.1,
BS EN ISO 10434,
EN1984
Face to Face Dimension DIN EN558.1,
BS EN 558-1,
EN12982
Flange Ends Dimension BS EN 1092-1,
DIN EN1092.1
BW End Dimension EN12627,
Test & Inspection BS EN 12266,
DIN N12266.1
 
Standard Material Specifications
Parts Name Material
  Trim 1 Trim 8 Trim 5  
1 Body DIN 17245 GS-C25+CR 13 DIN 17245 GS-C25+STL DIN 17245 GS-C25+STL DIN 17445 1.4308 DIN 17445 1.4408
2 Wedge DIN 17245 GS-C25+CR 13 DIN 17245 GS-C25+CR 13 DIN 17245 GS-C25+STL DIN 17445 1.4308 DIN 17445 1.4408
7 Bonnet DIN 17245 GS-C25+CR 13 DIN 17245 GS-C25+CR 13 DIN 17245 GS-C25+CR 13 DIN 17445 1.4308 DIN 17445 1.4408
9 Gland ASTM A182 F6a ASTM A182 F304 ASTM A182 F316
10 Gland Flange DIN 17245 GS-C25 DIN 17445 1.4308 DIN 17445 1.4408
3 Stem ASTM A182 F6a ASTM A182 F304 ASTM A182 F316
4 Nut A194 2H A194 8 A194 8
5 Bolt A193 B7 A193 B8 A193 B8
6 Gasket SS Spiral Wound W/graphite, or SS Spiral Wound W/ PTFE, or Reinforced PTFE
8 Packing Braided Graphite or Reformed Graphite Ring or PTFE
11 Stem Nut Copper Alloy or A439 D2
12 Hand Wheel Ductile Iron or Carbon Steel
Note: The chart above only lists out some common composition of steel gate valve parts. We may provide other different parts material composition according to the customer’s request or the actual valve working condition.

Similar Products

Related Searches

Products you might also like

Send your message to this supplier