Product: Raised Face SS Weld Neck Flange.
Type: Weld Neck Flange.
Materials: ASTM A182, Stainless Steel.
Grade: F304.
Face: RF.
Standard: EN1092-1 TYPE 11B.
Pressure: PN16.
Size: DN50 (2 Inch).
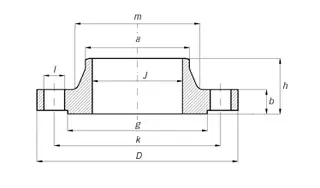
| ø |
D |
b |
g |
m |
a |
J* |
h |
k |
Holes |
l |
Kg. |
| 1/2" |
88,9 |
11,1 |
34,9 |
30,2 |
21,3 |
15,7 |
47,6 |
60,3 |
4 |
15,9 |
0,500 |
| 3/4" |
98,4 |
12,7 |
42,9 |
38,1 |
26,7 |
20,8 |
52,4 |
69,8 |
4 |
15,9 |
0,700 |
| 1" |
107,9 |
14,3 |
50,8 |
49,2 |
33,5 |
26,7 |
55,6 |
79,4 |
4 |
15,9 |
1,100 |
| 1 1/4" |
117,5 |
15,9 |
63,5 |
58,8 |
42,2 |
35,1 |
57,1 |
88,9 |
4 |
15,9 |
1,500 |
| 1 1/2" |
127,0 |
17,5 |
73,0 |
65,1 |
48,3 |
40,9 |
61,9 |
98,4 |
4 |
15,9 |
1,800 |
| 2" |
152,4 |
19,0 |
92,1 |
77,8 |
60,3 |
52,6 |
63,5 |
120,6 |
4 |
19,0 |
2,700 |
| 2 1/2" |
177,8 |
22,2 |
104,8 |
90,5 |
73,1 |
62,7 |
69,8 |
139,7 |
4 |
19,0 |
4,400 |
| 3" |
190,5 |
23,8 |
127,0 |
107,9 |
88,9 |
78,0 |
69,8 |
152,4 |
4 |
19,0 |
5,200 |
| 3 1/2" |
215,9 |
23,8 |
139,7 |
122,2 |
101,6 |
90,2 |
71,4 |
177,8 |
8 |
19,0 |
6,400 |
| 4" |
228,6 |
23,8 |
157,2 |
134,9 |
114,3 |
102,4 |
76,2 |
190,5 |
8 |
19,0 |
7,500 |
| 5" |
254,0 |
23,8 |
185,7 |
163,5 |
141,2 |
128,3 |
88,9 |
215,9 |
8 |
22,2 |
9,200 |
| 6" |
279,4 |
25,4 |
215,9 |
192,1 |
168,4 |
154,2 |
88,9 |
241,3 |
8 |
22,2 |
11,000 |
| 8" |
342,9 |
28,6 |
269,9 |
246,1 |
219,1 |
202,7 |
101,6 |
298,4 |
8 |
22,2 |
18,300 |
| 10" |
406,4 |
30,2 |
323,8 |
304,8 |
273,0 |
254,5 |
101,6 |
361,9 |
12 |
25,4 |
25,000 |
| 12" |
482,6 |
31,7 |
381,0 |
365,1 |
323,8 |
304,8 |
114,3 |
431,8 |
12 |
25,4 |
39,000 |
| 14" |
533,4 |
34,9 |
412,7 |
400,0 |
355,6 |
336,5 |
127,0 |
476,2 |
12 |
28,6 |
51,000 |
| 16" |
596,9 |
36,5 |
469,9 |
457,2 |
406,4 |
387,3 |
127,0 |
539,7 |
16 |
28,6 |
60,000 |
| 18" |
635,0 |
39,7 |
533,4 |
504,8 |
457,2 |
438,1 |
139,7 |
577,8 |
16 |
31,7 |
71,000 |
| 20" |
698,5 |
42,9 |
584,2 |
558,8 |
508,0 |
488,9 |
144,5 |
635,0 |
20 |
31,7 |
88,000 |
| 22" |
749,3 |
46,0 |
641,2 |
609,6 |
558,8 |
539,7 |
149,2 |
692,1 |
20 |
34,9 |
102,000 |
| 24" |
812,8 |
47,6 |
692,1 |
663,6 |
609,6 |
590,5 |
152,4 |
749,3 |
20 |
34,9 |
119,000 |
| * |
The data "J" corresponds to the STD schedule |