
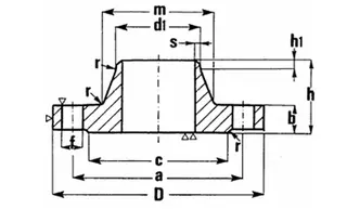
| Directions for the designation | d1 | a | b | D | f | h | h1 | m | r | s | Holes | Screws | Weight* | |
| Rated Diameter |
External diameter of the pipe |
Kg | ||||||||||||
| 15 | 20 | 21 | 55 | 12 | 80 | 11 | 30 | 6 | 28 | 4 | 2,5 | 4 | M 10 | 0,45 |
| 21,3 | 22,5 | 30 | 0,45 | |||||||||||
| 20 | 25 | 26 | 65 | 14 | 90 | 11 | 32 | 6 | 35 | 4 | 2,5 | 4 | M 10 | 0,66 |
| 26,9 | 28 | 38 | 0,66 | |||||||||||
| 25 | 30 | 31 | 75 | 14 | 100 | 11 | 35 | 6 | 40 | 4 | 2,8 | 4 | M 10 | 0,83 |
| 33,7 | 34,5 | 42 | 0,82 | |||||||||||
| 32 | 38 | 39 | 90 | 14 | 120 | 14 | 35 | 6 | 50 | 6 | 3 | 4 | M 12 | 1,18 |
| 42,4 | 43,5 | 55 | 1,16 | |||||||||||
| 40 | 44,5 | 45,5 | 100 | 14 | 130 | 14 | 38 | 7 | 58 | 6 | 3 | 4 | M 12 | 1,40 |
| 48,3 | 49,5 | 62 | 1,38 | |||||||||||
| 50 | 57 | 58 | 110 | 14 | 140 | 14 | 38 | 8 | 70 | 6 | 3,5 | 4 | M 12 | 1,58 |
| 60,3 | 61,5 | 74 | 1,56 | |||||||||||
| 65 | 76,1 | 77 | 130 | 14 | 160 | 14 | 38 | 9 | 88 | 6 | 3,5 | 4 | M 12 | 1,95 |
| 80 | 88,9 | 90 | 150 | 16 | 190 | 18 | 42 | 10 | 102 | 8 | 3,7 | 4 | M 16 | 3,07 |
| 100 | 108 | 109 | 170 | 16 | 210 | 18 | 45 | 10 | 122 | 8 | 3,7 | 4** | M 16 | 3,68 |
| 114,3 | 115,5 | 130 | 3,56 | |||||||||||
| 125 | 133 | 134 | 200 | 18 | 240 | 18 | 48 | 10 | 148 | 8 | 4 | 8 | M 16 | 5,04 |
| 139,7 | 141 | 155 | 4,80 | |||||||||||
| 150 | 159 | 161 | 225 | 18 | 265 | 18 | 48 | 12 | 172 | 10 | 5 | 8 | M 16 | 5,75 |
| 168,3 | 170,5 | 184 | 5,52 | |||||||||||
| 175 | 193,7 | 195,5 | 255 | 20 | 295 | 18 | 52 | 12 | 208 | 10 | 5 | 8 | M 16 | 7,22 |
| 200 | 219,1 | 221 | 280 | 20 | 320 | 18 | 55 | 15 | 236 | 10 | 5 | 8 | M 16 | 8,16 |
| 250 | 267 | 269 | 335 | 22 | 375 | 18 | 60 | 15 | 282 | 12 | 5,5 | 12 | M 16 | 11,4 |
| 273 | 275 | 290 | 11,1 | |||||||||||
| 300 | 323,9 | 326 | 395 | 22 | 440 | 22 | 62 | 15 | 342 | 12 | 6 | 12 | M 20 | 14,8 |
| 350 | 355,6 | 357,5 | 445 | 22 | 490 | 22 | 62 | 15 | 385 | 12 | 6,5 | 12 | M 20 | 19,5 |
| 368 | 370 | 17,7 | ||||||||||||
| 400 | 406,4 | 408,5 | 495 | 22 | 540 | 22 | 65 | 15 | 438 | 12 | 7 | 16 | M 20 | 22,5 |
| 419 | 421 | 20,3 | ||||||||||||
| 450 | 457,2 | 459 | 550 | 22 | 595 | 22 | 65 | 15 | 476 | 12 | 7,3 | 16 | M 20 | 25,0 |
| 500 | 508 | 510 | 600 | 24 | 645 | 22 | 68 | 15 | 538 | 12 | 7,3 | 20 | M 20 | 30,4 |
| 600 | 609,6 | 611,5 | 705 | 24 | 755 | 25 | 70 | 16 | 640 | 12 | 7,3 | 20 | M 22 | 38,0 |
| 700 | 711,2 | 715 | 810 | 24 | 860 | 25 | 70 | 16 | 740 | 12 | 9 | 24 | M 22 | 45,9 |
| 800 | 812,8 | 817 | 920 | 24 | 975 | 30 | 70 | 16 | 842 | 12 | 9 | 24 | M 27 | 55,0 |
| 900 | 914,4 | 918 | 1020 | 26 | 1075 | 30 | 70 | 16 | 942 | 12 | 9 | 24 | M 27 | 64,7 |
| 1000 | 1016 | 1020 | 1120 | 26 | 1175 | 30 | 70 | 16 | 1045 | 16 | 9 | 28 | M 27 | 70,6 |
| 1200 | 1220 | 1224 | 1340 | 28 | 1405 | 33 | 90 | 20 | 1248 | 16 | 9 | 32 | M 30 | 108 |
| 1400 | 1420 | 1424 | 1560 | 32 | 1630 | 36 | 90 | 20 | 1452 | 16 | 9 | 36 | M 33 | 153 |
| 1600 | 1620 | 1624 | 1760 | 34 | 1830 | 36 | 90 | 20 | 1655 | 16 | 11 | 40 | M 33 | 189 |
| 1800 | 1820 | 1824 | 1970 | 36 | 2045 | 39 | 100 | 20 | 1855 | 16 | 11 | 44 | M 36 x 3 | 239 |
| 2000 | 2020 | 2024 | 2180 | 38 | 2265 | 42 | 110 | 25 | 2058 | 16 | 12 | 48 | M 39 x 3 | 308 |
| * |
The weight is approximate and calculated on base 7.85 Kg/dm3
|
|||||||||||||
| ** |
For oil piping the flange should have 8 holes
|
|||||||||||||