
| Flange | Neck | Raised face | Screws | Weight | ||||||||||||
| (7,85 Kg/dm3) | ||||||||||||||||
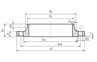
| Rated | d1 | D | b | k | h1 | d3 | s | r | h2 | d4 | f | Holes | Thread | d2 | Kg | |
| Diameter | ISO Series | DIN Series | ||||||||||||||
| 15 | - | 20 | 80 | 12 | 55 | 30 | 28 | 2 | 4 | 6 | 40 | 2 | 4 | M 10 | 11 | 0,392 |
| 21,3 | - | 30 | ||||||||||||||
| 20 | - | 25 | 90 | 14 | 65 | 32 | 35 | 2,3 | 4 | 6 | 50 | 2 | 4 | M 10 | 11 | 0,592 |
| 26,9 | - | 38 | ||||||||||||||
| 25 | - | 30 | 100 | 14 | 75 | 35 | 40 | 2,6 | 4 | 6 | 60 | 2 | 4 | M 10 | 11 | 0,747 |
| 33,7 | - | 42 | ||||||||||||||
| 32 | - | 38 | 120 | 14 | 90 | 35 | 50 | 2,6 | 6 | 6 | 70 | 2 | 4 | M 12 | 14 | 1,05 |
| 42,4 | - | 55 | ||||||||||||||
| 40 | - | 44,5 | 130 | 14 | 100 | 38 | 58 | 2,6 | 6 | 7 | 80 | 3 | 4 | M 12 | 14 | 1,18 |
| 48,3 | - | 62 | ||||||||||||||
| 50 | - | 57 | 140 | 14 | 110 | 38 | 70 | 2,9 | 6 | 8 | 90 | 3 | 4 | M 12 | 14 | 1,34 |
| 60,3 | - | 74 | ||||||||||||||
| 65 | 76,1 | - | 160 | 14 | 130 | 38 | 88 | 2,9 | 6 | 9 | 110 | 3 | 4 | M 12 | 14 | 1,67 |
| 80 | 88,9 | - | 190 | 16 | 150 | 42 | 102 | 3,2 | 8 | 10 | 128 | 3 | 4 | M 16 | 18 | 2,71 |
| 100 | - | 108 | 210 | 16 | 170 | 45 | 122 | 3,6 | 8 | 10 | 148 | 3 | 4 | M 16 | 18 | 3,24 |
| 114,3 | 130 | |||||||||||||||
| 125 | - | 133 | 240 | 18 | 200 | 48 | 148 | 4 | 8 | 10 | 178 | 3 | 8 | M 16 | 18 | 4,49 |
| 139,7 | - | 155 | ||||||||||||||
| 150 | - | 159 | 265 | 18 | 225 | 48 | 172 | 4,5 | 10 | 12 | 202 | 3 | 8 | M 16 | 18 | 5,15 |
| 168,3 | - | 184 | ||||||||||||||
| 200 | 219,1 | - | 320 | 20 | 280 | 55 | 236 | 5,9 | 10 | 15 | 258 | 3 | 8 | M 16 | 18 | 7,78 |
| 250 | - | 267 | 375 | 22 | 335 | 60 | 282 | 6,3 | 12 | 15 | 312 | 3 | 12 | M 16 | 18 | 10,8 |
| 273 | - | 290 | ||||||||||||||
| 300 | 323,9 | - | 440 | 22 | 395 | 62 | 342 | 7,1 | 15 | 15 | 365 | 4 | 12 | M 20 | 22 | 14 |
| 350 | 355,6 | - | 490 | 22 | 445 | 62 | 385 | 7,1 | 12 | 15 | 415 | 4 | 12 | M 20 | 22 | 18,5 |
| - | 368 | 16,7 | ||||||||||||||
| 400 | 406,4 | - | 540 | 22 | 495 | 65 | 438 | 7,1 | 12 | 15 | 465 | 4 | 16 | M 20 | 22 | 21,2 |
| - | 419 | 19 | ||||||||||||||
| 500 | 508 | - | 645 | 24 | 600 | 68 | 538 | 7,1 | 12 | 15 | 570 | 4 | 20 | M 20 | 22 | 28,6 |
| 600 | 610 | - | 755 | 24 | 705 | 70 | 640 | 7,1 | 12 | 16 | 670 | 5 | 20 | M 24 | 26 | 31,5 |
| 700 | 711 | - | 860 | 24 | 810 | 70 | 740 | 7,1 | 12 | 16 | 775 | 5 | 24 | M 24 | 26 | 37,4 |
| 800 | 813 | - | 975 | 24 | 920 | 70 | 842 | 7,1 | 12 | 16 | 880 | 5 | 24 | M 27 | 30 | 46,1 |
| 900 | 914 | - | 1075 | 26 | 1020 | 70 | 942 | 7,1 | 12 | 16 | 980 | 5 | 24 | M 27 | 30 | 55,6 |
| 1000 | 1016 | - | 1175 | 26 | 1120 | 70 | 1045 | 7,1 | 16 | 16 | 1080 | 5 | 28 | M 27 | 30 | 61,9 |
Como qualquer dispositivo mecânico ou eletrônico, as máquinas de tricô circular exigem manutenção regular para garantir um desempenho ideal. Isso inclui limpeza, lubrificação e verificação de sinais de desgaste ou danos.