Product Name: 3-piece Forged Steel Ball Valve
Design Standard: ASME B16.34
Body Material: ASTM A182 F316L
Size: 1/2 Inch, DN15
Pressure: Class 800 LB, PN130
End Connection: SW End
Operation: Lever
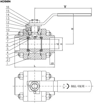
Forged Steel Ball Valves are offered in two types: Two-Piece Split Body and Three-Piece Bolted Body. The forging material ensures sufficient rigidity and strength under maximum rated operating pressure, without the inherent flaws of cast materials. The separate body design, with adequate wall thickness, and the use of high-strength tie bolts, make valve maintenance more convenient and provide sufficient strength to bear the stress from the piping system. The internal parts of the valve are carefully designed and selected to ensure reliable performance under all kinds of working conditions.
Technical Specification
» Size Range: 1/2-2 Inch (DN15-DN50) (for Forged Items)
» Design Pressure: Class 150-1500 LB (PN10-PN250)
» Materials:
Carbon Steel, Stainless Steel, Alloy Steel, Duplex Steel, etc
ASTM A105N, A350 LF2, A182 F11, F22, F304, F304L, F316, F316L
» Trim Materials: 13%Cr, ASTM A182 F11, F22, SS 304, SS 304L, SS 316, SS 316L, and other specials
» Seat Materials: PTFE, RPTFE, PEEK
» Ends Connections: SW, FNPT, BW
» Design and Manufacture: ASME B16.34
» Face to Face (End to End): ANSI B16.10
» Flanged Connection: ANSI B16.5
» Test and Inspection: API 598, API 6D
» Butt Welded Ends: ANSI B16.5
» Threaded Ends: ASME B1.20.1
» Socket-Weld Ends: ASME B16.11
» Medium: Water, Gas, Oil, etc.
» Temperature Range: -29°C to 150°C

Forged Steel Floating Ball Valve Features
Forged Steel Floating Ball Valves are available in three types: One-Piece Uni-body, Two-Piece Split Body, and Three-Piece Bolted Body. These valves are designed and manufactured according to the latest international standards, including API 6D, ASME B16.34, BS 5351, or equivalent standards. They come with standard features such as Fire-Safe, Anti-static, and Blow-out Proof.