The ASME B16.34 Forged Ball Valve features a 3-piece body design with a floating ball mechanism, ensuring reliable performance and precise flow control. Made from ASTM A105N material, this valve is available in a customized size and is rated for Class 800 LB and PN130 pressure. It is lever-operated for ease of control and has socket weld (SW) ends for secure installation.
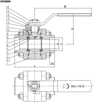
Product Name: ASME B16.34 Forged Ball Valve, 3 Piece Body
Structure: Floating Ball Valve
Design Standard: ASME B16.34
Body Material: ASTM A105N
Size: Customized
Pressure: Class 800 LB, PN130
End Connection: SW End
Operation: Lever
Forged Steel Ball Valves are available in Two-Piece Split Body and Three-Piece Bolted Body configurations. The forged material ensures optimal rigidity and strength under maximum rated operating pressure, free from the inherent flaws often found in cast valves. The valve's body features sufficient wall thickness, and high-strength tie bolts provide convenience for valve maintenance while being strong enough to withstand the stresses imposed by the piping system. All internal components are carefully selected and designed to ensure reliable operation across a variety of working conditions.
Technical Specifications
» Size Range: 1/2-2 Inch (DN15-DN50) (Forged Items)
» Temperature Range: -29°C to 150°C
» Design Pressure: Class 150-1500 LB(PN10-PN250)
» Materials: Carbon Steel, Alloy Steel, Stainless Steel, Duplex Steel (e.g., ASTM A105N, A350 LF2, A182 F11, F22, F304, F304L, F316, F316L)
» Trim Materials: 13% Cr, SS 304, SS 304L, SS 316, SS 316L, and other special alloys
» Seat Materials: PTFE, RPTFE, PEEK
» End Connections: SW, FNPT, BW
» Design and Manufacture: API 6D, ASME B16.34, BS 5351
» Face-to-Face (End-to-End): ANSI B16.10
» Flanged Connection: ANSI B16.5
» Test and Inspection: API 598, API 6D
» Butt-Welded End: ANSI B16.5
» Threaded Ends: ASME B1.20.1
» Socket-Weld Ends: ASME B16.11
» Medium: Water, gas, oil, etc.

Product Features
Forged Steel Floating Ball Valves are available in One-Piece Uni-body, Two-Piece Split Body, and Three-Piece Bolted Body designs. These valves are engineered and manufactured in compliance with the latest international standards, including API 6D, ASME B16.34, BS 5351, or their equivalents. Standard features include fire-safe design, anti-static protection, and blow-out prevention, ensuring reliability and safety in various operational conditions.