ASTM A351 CF8M Globe Valve, 2 Inch, 150 LB, API 623

ASTM A351 CF8M Globe Valve, 2 Inch, 150 LB, API 623

Key Specifications / Features

Looking for a reliable supplier of 2-inch Class 150 LB cast steel globe valves? Look no further! Our globe valves are designed to meet the highest standards, with a PN20 pressure rating and DN50 size. Manufactured according to API 623 and ASTM A351 CF8M + STL specifications, these valves offer exceptional wear resistance. With handwheel operation and RF end connections, they provide easy and efficient control. Trust us as your trusted supplier of top-quality cast steel globe valves.
Request a quote

Quick Detail

Product Description
Type Globe Valve
Size 2 Inch
Pressure 150 LB
Connection RF
Operation Hand Wheel
Body Material ASTM A351 CF8M+STL
Design Norm API 623
Face-to-Face Dimension ASME B16.10
Flange Dimension ASME B16.5
Test & Inspection Code API 598
Temperature -29 - 425°C
Applicable Medium Water, Oil and Gas

Detail Information

2 Inch 150 LB Cast Steel Globe Valve RF CF8M API 623 Hand Wheel

Introduction

2 Inch 150 LB globe valve is made according to API 623 standard. The valve body is made of ASTM A351 CF8M+STL. It has the structural characteristics of low in and high out and welded valve seats. Its connection mode is RF. And it has hand wheel operation mode.

Features

1. Good wear resistance, high-temperature resistance, corrosion resistance, and scratch resistance;
2. Easy to manufacture, easy to maintain, and long service life.

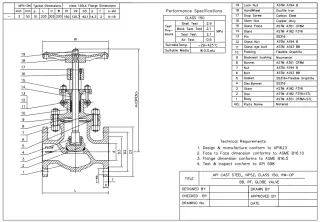
Technical Drawing



Dimension Checking



Pressure Testing



Nameplate & Packing



Inspection report











 

Send your message to this supplier

FAQs

Similar Products

Related Searches

Products you might also like