Cast Steel ASTM A216 WCB Globe Valve, BS 1873, 2 Inch, 600 LB

Cast Steel ASTM A216 WCB Globe Valve, BS 1873, 2 Inch, 600 LB

Key Specifications / Features

Cast Steel ASTM A216 WCB Globe Valve Manufacturer: BS 1873 Globe Valves, ASTM A216 WCB, 2 Inch, 600 LB, BB, OS & Y, Plug Disc, RF, Handwheel Operation.
Request a quote

Quick Detail

Type Globe Valve
Size 2"
Pressure 600 LB
Connection RF
Operation Handwheel Operation
Body Material ASTM A216 WCB + STL
Design Norm BS1873
Face to face dimension ASME B16.10
Flange dimension ASME B16.5
Test & Inspection Code API 598
Temperature -29 - 425°C
Applicable Medium Water, Oil and Gas

Detail Information

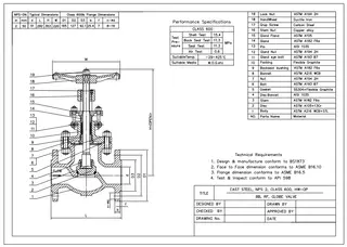
2” 600 LB WCB Globe Valve Cast Steel BB RF HW-OP

Introduction

2" 600 LB globe valve is made according to BS 1873 standard. The valve body is made of WCB. It has the structural characteristics of BB, OS&Y and plugs disc. Its connection mode is RF, operation mode is handwheel operation.

Features

1. Simple structure, good manufacturing process, convenient manufacturing and maintenance;
2. Good sealing performance, the small friction force between sealing surfaces and long service life.

Technical Drawing



Dimension Checking
 

Pressure Testing
 

Packing
 

Inspection report










 
 
 
 

Keywords of Cast Steel ASTM A216 WCB Globe Valve, BS 1873, 2 Inch, 600 LB

2" 600LB Globe Valve
Cast Steel 2" 600LB Globe Valve
WCB BB RF HW-OP Globe Valve
2" 600LB WCB Globe Valve
 

Similar Products

Related Searches

Products you might also like

Send your message to this supplier