BS 1873 Globe Valve, ASTM A351 CF8M, 4 Inch, 150 LB, RF

BS 1873 Globe Valve, ASTM A351 CF8M, 4 Inch, 150 LB, RF

Key Specifications / Features

We Provide BS 1873 Globe Valves, Cast Steel Globe Valves, ASTM A351 CF8M, STL, 4 Inch, Class 150 LB, DN100, PN20, BS 1873, BB, RF Ends, HW-OP.
Request a quote

Quick Detail

Type Globe Valve
Size 4"
Pressure 150LB
Connection RF
Operation Hand Wheel Operation
Body Material ASTM A351 CF8M + STL
Design Norm BS1873
Face to Face Dimension ASME B16.10
Flange Dimension ASME B16.5
Test & Inspection Code API 598
Temperature -29 - 425°C
Applicable Medium Water, Oil and Gas

Detail Information

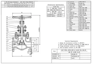
4" 150 LB Cast Steel Globe Valve CF8M HW-OP BB RF

Introduction

4" 150 LB globe valve is made according to BS 1873 standard. The valve body is made of CF8M. It has the structural characteristics of a bolt cover, plug disc, standard flow, and body valve seat. Its connection mode is RF. And it has hand wheel operation mode.

Features

1. Simple structure, lightweight, good corrosion resistance;
2. Good sealing performance, low friction between sealing surfaces, long service life;
3. Small working stroke and short opening and closing time.

Technical Drawing



Dimension Checking



Pressure Testing



Nameplate & Packing



Inspection report








 

Keywords of BS 1873 Globe Valve, ASTM A351 CF8M, 4 Inch, 150 LB, RF

4" Cast Steel Globe Valve
150LB Cast Steel Globe Valve
BS1873 Cast Steel Globe Valve
CF8M Cast Steel Globe Valve
HW-OP Cast Steel Globe Valve
BB RF Cast Steel Globe Valve
 

Send your message to this supplier

FAQs

Similar Products

Related Searches

Products you might also like