ASTM A182 F316 Trunnion Mounted Ball Valve, 2 Inch, 150 LB

ASTM A182 F316 Trunnion Mounted Ball Valve, 2 Inch, 150 LB

Key Specifications / Features

This 2 Inch 150 LB Stainless Steel Trunnion Mounted Ball Valve is designed with an ISO 5211 Mounting Pad and API 6D certification. It comes with RF connections and is made of high-quality F316 material, making it a reliable and durable choice for a range of applications. Ideal for use in the oil and gas industry, this valve is sure to meet your needs.
Request a quote

Detail Information

2 Inch 150 LB Trunnion Mounted Ball Valve, ISO 5211 Mounting Pad, API 6D, Stainless Steel, RF, F316

Valve Description:
1811022 Trunnion Mounted Ball Valve 2BS1RF316
Design Standard: API 6D
Structure: Three pieces body, Side Entry, Bolted Bonnet, Soft Seat
Nominal size: 2 Inch
Nominal class: 150 LB
Bore Type: Full Bore
End Connection: RF Flanged
Operation: Lever
Body Material: ASTM A182 F316
Trim Material: ASTM A182 F316, RPTFE
Face to face: ASME B16.10
Test and inspection: API 598, API 6D
Key Features: Double Block & Bleed (DBB), Anti-static Device, Fire Safe, Anti-Blowout Stem, Emergency sealant injection, Cryogenic design available

Product Range:
Body material: Carbon Steel, Stainless Steel, Alloy Steel
Normal diameter: 1/2 - 48 Inch (DN15 - DN1200)
Pressure range: Class 150 - 2500 LB
End connection: RF, RTJ, BW, HUB
Working temperature: -101℃ - +150℃
Operation: Manual(lever, gear), Pneumatic Actuator, Motor Actuator

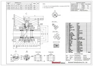
F316 Trunnion Mounted Ball Valve Tech Drawing
 

Send your message to this supplier

FAQs

Similar Products

Related Searches

Products you might also like