ASTM A182 F316 Trunnion Ball Valve, API 6D, 4 Inch, 150 LB

ASTM A182 F316 Trunnion Ball Valve, API 6D, 4 Inch, 150 LB

Key Specifications / Features

We Provide China Trunnion Ball Valves, Stainless Steel, ASTM A182 F316, API 6D, Three Pieces Body, 4 Inch, DN100, Class 150 LB, PN20, Lever Opt, and RF Flanged.
Request a quote

Detail Information

Product Item: Trunnion Mounted Ball Valve
Model No.: 4BS1RF316
Design Standard: API 6D
Structure: Three pieces body, Side Entry, Bolted Bonnet, Soft Seat
Nominal size: 4 Inch
Nominal class: 150 LB
Bore Type: Full Bore
End Connection: RF Flanged
Operation: Lever
Body Material: ASTM A182 F316
Trim Material: ASTM A182 F316, RPTFE
Face to face: ASME B16.10
Test and inspection: API 598, API 6D
Key Features: Double Block&Bleed(DBB), Anti-static Device, Fire Safe, Anti-Blowout Stem, Emergency sealant injection, Cryogenic design available

Product Range
Body material: Carbon Steel, Stainless Steel, Alloy Steel
Normal diameter: 1/2 - 48 Inch (DN15 - DN1200)
Pressure range: 150 - 2500 LB
End connection: RF, RTJ, BW, HUB
Working temperature: -101℃ - +150℃
Operation: Manual(lever, gear), Pneumatic Actuator, Motor Actuator

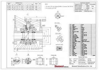
Trunnion Mounted Ball Valve Tech Drawing
 

Send your message to this supplier

FAQs

Similar Products

Related Searches

Products you might also like