
| Design Standard | JB/T8691, MSS SP-81 |
| Face to Face | GB/T15188.2, TAPPI TIS 405.8 |
| Flange Ends Dimension | ANSI B16.5, GB/T79-94 |
| Inspection & Test | MSS SP-81, GB/T 13927 |
| Available with lever, chain, gear, electric, air and hydraulic actuators. | |
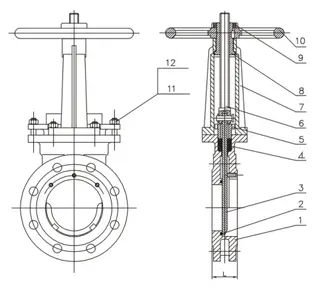
| Part Name | Carbon Steel to ASTM | Alloy Steel to ASTM | Stainless Steel to ASTM | |||||||||
| Body | A216 WCB | A352 LCB | A217 WC1 | A217 WC6 | A217 WC9 | A217 C5 | A351 CF8 | A351 CF8M | A351 CF3 | A351 CF3M | ||
| Seat | PTFE or NBR | |||||||||||
| Knife | A216 WCB | A352 LCB | A217 WC1 | A217 WC6 | A217 WC9 | A217 C5 | A351 CF8 | A351 CF8M | A351 CF3 | A351 CF3M | ||
| Packing | Flexible Graphite +SS, PTFE | |||||||||||
| Packing Flange | A182 F6a | A182 F6a | A182 F6a | A182 F6a | A182 F6a | A182 F6a | A182 F304 | A182 F316 | A182 F304L | A182 F316L | ||
| Stem | A182 F6a | A182 F6a | A182 F6a | A182 F6a | A182 F6a | A182 F6a | A182 F304 | A182 F316 | A182 F304L | A182 F316L | ||
| Yoke | A216 WCB | A352 LCB | A217 WC1 | A217 WC6 | A217 WC9 | A217 C5 | A351 CF8 | A351 CF8M | A351 CF3 | A351 CF3M | ||
| Stem Nut | Copper Alloy or A439 D2 | |||||||||||
| Nut | A194 2H | A194 4 | A194 2H | A194 4 | A194 4 | A194 4 | A194 8 | A194 8 | A194 8 | A194 8 | ||
| Hand Wheel | Ductile iron or Carbon steel | |||||||||||
| Bolt | A193 B7 | A320 L7 | A193 B7 | A193 B16 | A193 B16 | A193 B16 | A193 B8 | A193 B8 | A193 B8 | A193 B8 | ||
| Nut | A194 2H | A194 4 | A194 2H | A194 4 | A194 4 | A194 4 | A194 8 | A194 8 | A194 8 | A194 8 | ||