
| Design & Manufacture | API 602 |
| Inspection & Test | API 598 |
| Socket-weld Dimension | ASME B16.11 |
| End Threads Dimension | ASME B1.20.1 |
| Pressure-temperature Ratings | ASME B16.34 |
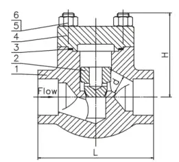
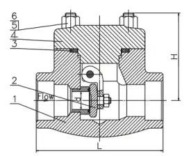
| Part Name | Material | |||
| 1 | Body | ASTM A105 | ASTM A 182 F304 | ASTM A182 F316 |
| 2 | Disc | ASTM A105 | ASTM A 182 F304 | ASTM A182 F316 |
| 3 | Gasket | Graphite+SS304 | Graphite+SS316 | Graphite+SS316 |
| 4 | Bonnet | ASTM A105 | ASTM A 182 F304 | ASTM A182 F316 |
| 5 | Bolt | A193 B7 | A193 B8 | A193 B8 |
| 6 | Nut | A194 2H | A194 8 | A194 8 |