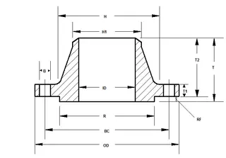
Flange NPS | Inside Diameter |
Outside Diameter |
Bolt Circle (BC) |
Raised Face (R) |
Raised Face (RF) |
H | H1 | Raised Face Thickness (T) |
T1 | Flat Face Thickness (T2) |
Bolt Hole (B) |
No. of Bolt Holes |
---|---|---|---|---|---|---|---|---|---|---|---|---|
1/2″ | 0.62″ | 3.50″ | 2.38″ | 1.38″ | .063″ | 1.19″ | 0.84″ | 1.88″ | 0.38″ | 1.82″ | 0.62″ | 4 |
3/4″ | 0.82″ | 3.88″ | 2.75″ | 1.69″ | .063″ | 1.50″ | 1.05″ | 2.06″ | 0.44″ | 2.00″ | 0.62″ | 4 |
1″ | 1.05″ | 4.25″ | 3.12″ | 2.00″ | .063″ | 1.94″ | 1.32″ | 2.19″ | 0.50″ | 2.13″ | 0.62″ | 4 |
1-1/4″ | 1.38″ | 4.62″ | 3.50″ | 2.50″ | .063″ | 2.31″ | 1.66″ | 2.25″ | 0.56″ | 2.19″ | 0.62″ | 4 |
1-1/2″ | 1.61″ | 5.00″ | 3.88″ | 2.88″ | .063″ | 2.56″ | 1.90″ | 2.44″ | 0.62″ | 2.38″ | 0.62″ | 4 |
2″ | 2.07″ | 6.00″ | 4.75″ | 3.62″ | .063″ | 3.06″ | 2.38″ | 2.50″ | 0.69″ | 2.44″ | 0.75″ | 4 |
2-1/2″ | 2.47″ | 7.00″ | 5.50″ | 4.12″ | .063″ | 3.56″ | 2.88″ | 2.75″ | 0.82″ | 2.69″ | 0.75″ | 4 |
3″ | 3.07″ | 7.50″ | 6.00″ | 5.00″ | .063″ | 4.25″ | 3.50″ | 2.75″ | 0.88″ | 2.69″ | 0.75″ | 4 |
3-1/2″ | 3.55″ | 8.50″ | 7.00″ | 5.50″ | .063″ | 4.81″ | 4.00″ | 2.81″ | 0.88″ | 2.75″ | 0.75″ | 8 |
4″ | 4.03″ | 9.00″ | 7.50″ | 6.19″ | .063″ | 5.31″ | 4.50″ | 3.00″ | 0.88″ | 2.94″ | 0.75″ | 8 |
5″ | 5.05″ | 10.00″ | 8.50″ | 7.31″ | .063″ | 6.44″ | 5.56″ | 3.50″ | 0.88″ | 3.44″ | 0.88″ | 8 |
6″ | 6.07″ | 11.00″ | 9.50″ | 8.50″ | .063″ | 7.56″ | 6.63″ | 3.50″ | 0.94″ | 3.44″ | 0.88″ | 8 |
8″ | 7.98″ | 13.50″ | 11.75″ | 10.62″ | .063″ | 9.69″ | 8.63″ | 4.00″ | 1.06″ | 3.94″ | 0.88″ | 8 |
10″ | 10.02″ | 16.00″ | 14.25″ | 12.75″ | .063″ | 12.00″ | 10.75″ | 4.00″ | 1.13″ | 3.94″ | 1.00″ | 12 |
12″ | 12.00″ | 19.00″ | 17.00″ | 15.00″ | .063″ | 14.38″ | 12.75″ | 4.50″ | 1.19″ | 4.44″ | 1.00″ | 12 |
14″ | 13.25″ | 21.00″ | 18.75″ | 16.25″ | .063″ | 15.75″ | 14.00″ | 5.00″ | 1.32″ | 4.94″ | 1.12″ | 12 |
16″ | 15.25″ | 23.50″ | 21.25″ | 18.50″ | .063″ | 18.00″ | 16.00″ | 5.00″ | 1.38″ | 4.94″ | 1.12″ | 16 |
18″ | 17.25″ | 25.00″ | 22.75″ | 21.00″ | .063″ | 19.88″ | 18.00″ | 5.50″ | 1.50″ | 5.44″ | 1.25″ | 16 |
20″ | 19.25″ | 27.50″ | 25.00″ | 23.00″ | .063″ | 22.00″ | 20.00″ | 5.69″ | 1.63″ | 5.63″ | 1.25″ | 20 |
22″ | 21.25″ | 29.50″ | 27.25″ | 25.25″ | .063″ | 24.25″ | 22.00″ | 5.88″ | 1.75″ | 5.82″ | 1.38″ | 20 |
24″ | 23.25″ | 32.00″ | 29.50″ | 27.25″ | .063″ | 26.12″ | 24.00″ | 6.00″ | 1.82″ | 5.94″ | 1.38″ | 20 |