
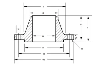
| Flange NPS | Inside Diameter |
Outside Diameter |
Bolt Circle (BC) |
Raised Face (R) |
Raised Face (RF) |
H | H1 | Raised Face Thickness (T) |
T1 | Flat Face Thickness (T2) |
Bolt Hole (B) |
No. of Bolt Holes |
|---|---|---|---|---|---|---|---|---|---|---|---|---|
| 1/2″ | 0.55″ | 3.75″ | 2.62″ | 1.38″ | .250″ | 1.50″ | 0.84″ | 2.31″ | 0.56″ | 2.06″ | 0.62″ | 4 |
| 3/4″ | 0.74″ | 4.62″ | 3.25″ | 1.69″ | .250″ | 1.88″ | 1.05″ | 2.50″ | 0.62″ | 2.25″ | 0.75″ | 4 |
| 1″ | 0.96″ | 4.88″ | 3.50″ | 2.00″ | .250″ | 2.12″ | 1.32″ | 2.69″ | 0.69″ | 2.44″ | 0.75″ | 4 |
| 1-1/4″ | 1.28″ | 5.25″ | 3.88″ | 2.50″ | .250″ | 2.50″ | 1.66″ | 2.87″ | 0.81″ | 2.62″ | 0.75″ | 4 |
| 1-1/2″ | 1.50″ | 6.12″ | 4.50″ | 2.88″ | .250″ | 2.75″ | 1.90″ | 3.00″ | 0.88″ | 2.75″ | 0.88″ | 4 |
| 2″ | 1.94″ | 6.50″ | 5.00″ | 3.62″ | .250″ | 3.31″ | 2.38″ | 3.13″ | 1.00″ | 2.88″ | 0.75″ | 8 |
| 2-1/2″ | 2.32″ | 7.50″ | 5.88″ | 4.12″ | .250″ | 3.94″ | 2.88″ | 3.37″ | 1.12″ | 3.12″ | 0.88″ | 8 |
| 3″ | 2.90″ | 8.25″ | 6.62″ | 5.00″ | .250″ | 4.62″ | 3.50″ | 3.50″ | 1.25″ | 3.25″ | 0.88″ | 8 |
| 3-1/2″ | 3.36″ | 9.00″ | 7.25″ | 5.50″ | .250″ | 5.25″ | 4.00″ | 3.63″ | 1.38″ | 3.38″ | 1.00″ | 8 |
| 4″ | 3.83″ | 10.75″ | 8.50″ | 6.19″ | .250″ | 6.00″ | 4.50″ | 4.25″ | 1.5″ | 4.00″ | 1.00″ | 8 |
| 5″ | 4.81″ | 13.00″ | 10.50″ | 7.31″ | .250″ | 7.44″ | 5.56″ | 4.75″ | 1.75″ | 4.50″ | 1.12″ | 8 |
| 6″ | 5.76″ | 14.00″ | 11.50″ | 8.50″ | .250″ | 8.75″ | 6.63″ | 4.87″ | 1.88″ | 4.62″ | 1.12″ | 12 |
| 8″ | 7.63″ | 16.50″ | 13.75″ | 10.62″ | .250″ | 10.75″ | 8.63″ | 5.50″ | 2.19″ | 5.25″ | 1.25″ | 12 |
| 10″ | 9.75″ | 20.00″ | 17.00″ | 12.75″ | .250″ | 13.5″ | 10.75″ | 6.25″ | 2.50″ | 6.00″ | 1.38″ | 16 |
| 12″ | 11.75″ | 22.00″ | 19.25″ | 15.00″ | .250″ | 15.75″ | 12.75″ | 6.37″ | 2.62″ | 6.12″ | 1.38″ | 20 |
| 14″ | 13.00″ | 23.75″ | 20.75″ | 16.25″ | .250″ | 17.00″ | 14.00″ | 6.75″ | 2.75″ | 6.50″ | 1.50″ | 20 |
| 16″ | 15.00″ | 27.00″ | 23.75″ | 18.50″ | .250″ | 19.50″ | 16.00″ | 7.25″ | 3.00″ | 7.00″ | 1.62″ | 20 |
| 18″ | 17.00″ | 29.25″ | 25.75″ | 21.00″ | .250″ | 21.50″ | 18.00″ | 7.50″ | 3.25″ | 7.25″ | 1.75″ | 20 |
| 20″ | 19.00″ | 32.00″ | 28.50″ | 23.00″ | .250″ | 24.00″ | 20.00″ | 7.75″ | 3.50″ | 7.50″ | 1.75″ | 24 |
| 22″ | 21.00″ | 34.25″ | 30.63″ | 25.25″ | .250″ | 26.25″ | 22.00″ | 8.00″ | 3.75″ | 7.75″ | 1.75″ | 24 |
| 24″ | 23.00″ | 37.00″ | 33.00″ | 27.25″ | .250″ | 28.25″ | 24.00″ | 8.25″ | 4.00″ | 8.00″ | 2.00″ | 24 |