
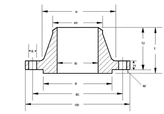
| Flange NPS | Inside Diameter |
Outside Diameter |
Bolt Circle (BC) |
Raised Face (R) |
Raised Face (RF) |
H | H1 | Raised Face Thickness (T) |
T1 | Flat Face Thickness (T2) |
Bolt Hole (B) |
No. of Bolt Holes |
|---|---|---|---|---|---|---|---|---|---|---|---|---|
| 1/2″ | 0.55″ | 5.25″ | 3.50″ | 1.38″ | .250″ | 1.69″ | 0.84″ | 3.13″ | 1.19″ | 2.88″ | 0.88″ | 4 |
| 3/4″ | 0.74″ | 5.50″ | 3.75″ | 1.69″ | .250″ | 2.00″ | 1.05″ | 3.38″ | 1.25″ | 3.13″ | 0.88″ | 4 |
| 1″ | 0.96″ | 6.25″ | 4.25″ | 2.00″ | .250″ | 2.25″ | 1.32″ | 3.75″ | 1.38″ | 3.50″ | 1.00″ | 4 |
| 1-1/4″ | 1.28″ | 7.25″ | 5.13″ | 2.50″ | .250″ | 2.88″ | 1.66″ | 4.00″ | 1.50″ | 3.75″ | 1.13″ | 4 |
| 1-1/2″ | 1.50″ | 8.00″ | 5.75″ | 2.88″ | .250″ | 3.13″ | 1.90″ | 4.63″ | 1.75″ | 4.38″ | 1.25″ | 4 |
| 2″ | 1.94″ | 9.25″ | 6.75″ | 3.63″ | .250″ | 3.75″ | 2.38″ | 5.25″ | 2.00″ | 5.00″ | 1.13″ | 8 |
| 2-1/2″ | 2.32″ | 10.50″ | 7.75″ | 4.13″ | .250″ | 4.50″ | 2.88″ | 5.88″ | 2.25″ | 5.63″ | 1.25″ | 8 |
| 3″ | 2.90″ | 12.00″ | 9.00″ | 5.00″ | .250″ | 5.25″ | 3.50″ | 6.88″ | 2.63″ | 6.63″ | 1.38″ | 8 |
| 4″ | 3.83″ | 14.00″ | 10.75″ | 6.19″ | .250″ | 6.50″ | 4.50″ | 7.75″ | 3.00″ | 7.50″ | 1.63″ | 8 |
| 5″ | 4.81″ | 16.50″ | 12.75″ | 7.31″ | .250″ | 8.00″ | 5.56″ | 9.25″ | 3.63″ | 9.00″ | 1.88″ | 8 |
| 6″ | 5.76″ | 19.00″ | 14.50″ | 8.50″ | .250″ | 9.25″ | 6.63″ | 11.00″ | 4.25″ | 10.75″ | 2.13″ | 8 |
| 8″ | 7.63″ | 21.75″ | 17.25″ | 10.63″ | .250″ | 12.00″ | 8.63″ | 12.75″ | 5.00″ | 12.50″ | 2.13″ | 12 |
| 10″ | 9.75″ | 26.50″ | 21.25″ | 12.75″ | .250″ | 14.75″ | 10.75″ | 16.75″ | 6.50″ | 16.50″ | 2.63″ | 12 |
| 12″ | 11.75″ | 30.00″ | 24.38″ | 15.00″ | .250″ | 17.38″ | 12.75″ | 18.50″ | 7.25″ | 18.25″ | 2.88″ | 12 |