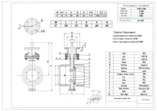
Structure: Triple Offset
Design Standard: API 609 Cat B, EN 593
Body Material: ASTM A216 WCB
Trim Material: A351 CF8M disc, Laminated Sealing ring SS 316+Graphite
Face to face: API 609
Test and inspection: API 598
Nominal size: 48 Inch, DN1200
Nominal class: 150 LB
End Connection: BW End
Operation: Gear
Key Features: Metal Seat for high Temperature and various fluids, Low torque, Replaceable seat, Zero Leakage, Excellent control characteristics, Fire Safe
Product Range:
Body material: WCB, Stainless Steel, Duplex steel, Al-Bronze, Ti
Normal diameter: 2 - 72 Inch (DN50 - DN1800)
Pressure range: Class 150 - 2500 LB
Working temperature: -29℃ - +400℃
Operation: Lever, Gear, Motor, Pneumatic Actuated
End connection: Wafer, Lug, Flanged, BW
