Product: DN200 Weld Neck Flange.
Type: Weld Neck Flange.
Materials: ASTM A182.
Grades: F316.
Standards: JIS B2220, JIS B2212.
Pressure: 150LB-2500LB (PN20-PN420).
Model Size: DN200.
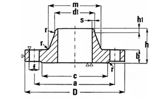
| Directions for the designation |
d1 |
a |
b |
D |
f |
h |
h1 |
m |
r |
s |
Holes |
Screws |
Weight |
| Rated Diameter |
External diameter of the pipe |
Kg |
| 15 |
20 |
21 |
55 |
12 |
80 |
11 |
30 |
6 |
28 |
4 |
2,5 |
4 |
M 10 |
0,45 |
| 21,3 |
22,5 |
30 |
0,45 |
| 20 |
25 |
26 |
65 |
14 |
90 |
11 |
32 |
6 |
35 |
4 |
2,5 |
4 |
M 10 |
0,66 |
| 26,9 |
28 |
38 |
0,66 |
| 25 |
30 |
31 |
75 |
14 |
100 |
11 |
35 |
6 |
40 |
4 |
2,8 |
4 |
M 10 |
0,83 |
| 33,7 |
34,5 |
42 |
0,82 |
| 32 |
38 |
39 |
90 |
14 |
120 |
14 |
35 |
6 |
50 |
6 |
3 |
4 |
M 12 |
1,18 |
| 42,4 |
43,5 |
55 |
1,16 |
| 40 |
44,5 |
45,5 |
100 |
14 |
130 |
14 |
38 |
7 |
58 |
6 |
3 |
4 |
M 12 |
1,40 |
| 48,3 |
49,5 |
62 |
1,38 |
| 50 |
57 |
58 |
110 |
14 |
140 |
14 |
38 |
8 |
70 |
6 |
3,5 |
4 |
M 12 |
1,58 |
| 60,3 |
61,5 |
74 |
1,56 |
| 65 |
76,1 |
77 |
130 |
14 |
160 |
14 |
38 |
9 |
88 |
6 |
3,5 |
4 |
M 12 |
1,95 |
| 80 |
88,9 |
90 |
150 |
16 |
190 |
18 |
42 |
10 |
102 |
8 |
3,7 |
4 |
M 16 |
3,07 |
| 100 |
108 |
109 |
170 |
16 |
210 |
18 |
45 |
10 |
122 |
8 |
3,7 |
4** |
M 16 |
3,68 |
| 114,3 |
115,5 |
130 |
3,56 |
| 125 |
133 |
134 |
200 |
18 |
240 |
18 |
48 |
10 |
148 |
8 |
4 |
8 |
M 16 |
5,04 |
| 139,7 |
141 |
155 |
4,80 |
| 150 |
159 |
161 |
225 |
18 |
265 |
18 |
48 |
12 |
172 |
10 |
5 |
8 |
M 16 |
5,75 |
| 168,3 |
170,5 |
184 |
5,52 |
| 175 |
193,7 |
195,5 |
255 |
20 |
295 |
18 |
52 |
12 |
208 |
10 |
5 |
8 |
M 16 |
7,22 |
| 200 |
219,1 |
221 |
280 |
20 |
320 |
18 |
55 |
15 |
236 |
10 |
5 |
8 |
M 16 |
8,16 |
| 250 |
267 |
269 |
335 |
22 |
375 |
18 |
60 |
15 |
282 |
12 |
5,5 |
12 |
M 16 |
11,4 |
| 273 |
275 |
290 |
11,1 |
| 300 |
323,9 |
326 |
395 |
22 |
440 |
22 |
62 |
15 |
342 |
12 |
6 |
12 |
M 20 |
14,8 |
| 350 |
355,6 |
357,5 |
445 |
22 |
490 |
22 |
62 |
15 |
385 |
12 |
6,5 |
12 |
M 20 |
19,5 |
| 368 |
370 |
17,7 |
| 400 |
406,4 |
408,5 |
495 |
22 |
540 |
22 |
65 |
15 |
438 |
12 |
7 |
16 |
M 20 |
22,5 |
| 419 |
421 |
20,3 |
| 450 |
457,2 |
459 |
550 |
22 |
595 |
22 |
65 |
15 |
476 |
12 |
7,3 |
16 |
M 20 |
25,0 |
| 500 |
508 |
510 |
600 |
24 |
645 |
22 |
68 |
15 |
538 |
12 |
7,3 |
20 |
M 20 |
30,4 |
| 600 |
609,6 |
611,5 |
705 |
24 |
755 |
25 |
70 |
16 |
640 |
12 |
7,3 |
20 |
M 22 |
38,0 |
| 700 |
711,2 |
715 |
810 |
24 |
860 |
25 |
70 |
16 |
740 |
12 |
9 |
24 |
M 22 |
45,9 |
| 800 |
812,8 |
817 |
920 |
24 |
975 |
30 |
70 |
16 |
842 |
12 |
9 |
24 |
M 27 |
55,0 |
| 900 |
914,4 |
918 |
1020 |
26 |
1075 |
30 |
70 |
16 |
942 |
12 |
9 |
24 |
M 27 |
64,7 |
| 1000 |
1016 |
1020 |
1120 |
26 |
1175 |
30 |
70 |
16 |
1045 |
16 |
9 |
28 |
M 27 |
70,6 |
| 1200 |
1220 |
1224 |
1340 |
28 |
1405 |
33 |
90 |
20 |
1248 |
16 |
9 |
32 |
M 30 |
108 |
| 1400 |
1420 |
1424 |
1560 |
32 |
1630 |
36 |
90 |
20 |
1452 |
16 |
9 |
36 |
M 33 |
153 |