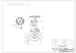
The China Quick Closing Valve Manufacturer offers a versatile globe body valve designed to meet the JIS F7399 standard. Constructed from durable cast bronze, this valve features a 2-inch size and a 10K pressure rating, making it suitable for a variety of applications. It has FF flanged ends for secure and easy installation. The valve is ideal for use with sea water, fresh water, oil, and other media, providing reliable performance and quick closing capabilities.
Product Name: Quick Closing Valve, Globe Body
Design Standard: JIS F7399
Body Material: Cast Bronze
Size: JIS 50A, 2 Inch
Pressure: JIS 10K
End Connection: FF Flanged
Operation: Handwheel
Medium: Sea Water, Fresh Water, Oil, etc
Temperature Range: -29°C to 345°C
Marine valves are essential components used to control the pressure, flow rate, and direction of fluids within ship pipelines, ensuring they meet the specific environmental conditions required onboard vessels. These valves serve as critical control devices for fluid pipelines, with their fundamental role being to connect or cut off the flow of the pipeline medium. They also facilitate the redirection of fluid flow, adjust pressure and flow rates, and safeguard the normal operation of pipeline systems and associated equipment.
Materials of Main Parts
|
NO |
Part name |
Material |
|
1 |
BODY |
BRONZE |
|
2 |
BONNET |
BRONZE |
|
3 |
HANDWEEL |
CAST IRON |
|
4 |
DISC |
BRONZE |
|
5 |
SEAT RING |
INTEGRAL / BROZE |
|
6 |
STEM |
BRASS |
Technical Drawing
