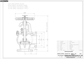
The Cast Iron Angle Globe Valve, manufactured per JIS F7306 standards, features a durable FC200 body for reliable flow control. Sized at JIS 50A (2 inches) and rated for JIS 5K pressure, it is designed with flat face (FF) flanged ends for secure installation. Ideal for low-pressure applications, this valve ensures efficient regulation in marine, industrial, and water systems.
Product Name: Cast Iron Angle Globe Valve
Design Standard: JIS F7306
Body Material: Cast Iron FC200
Size: JIS 50A (2 Inch)
Pressure: JIS 5K
End Connection: FF Flanged
Operation: Handwheel
Technical Specifications
Port Size Range: JIS 50A-400A, 2-16 Inch
Pressure: JIS 5K, JIS 10K, JIS 16K
Temperature: -29°C to 345°C
Body Material: Ductile Iron, Carbon Steel, Stainless Steel
Medium: Sea water, fresh water, oil, and other fluids
Marine valves are essential components used to regulate the pressure, flow rate, and direction of fluids within a ship's pipeline system, ensuring that the ship's systems operate efficiently under varying environmental conditions. These valves control the flow of the pipeline medium by either opening or closing the passage, redirecting the flow, adjusting pressure and flow rate, and safeguarding the proper functioning of pipeline equipment. The core function of marine valves is to provide precise control over fluid movement, contributing to the smooth operation and safety of maritime vessels.
Materials of Main Parts
|
NO |
Part name |
Material |
|
1 |
Body |
FC200 |
|
2 |
Bonnet |
FC200 |
|
3 |
Disc |
BC6, SCS2 |
|
4 |
Seat |
BC6, SCS2 |
|
5 |
Stem |
C377IBD OH BE, SUS403 |
|
6 |
Packing Gland |
BC6 |
|
7 |
Gasket |
Non-asbestos |
|
8 |
Handweel |
FC200 |
