The JIS SC480 Angle Globe Valve is a marine-grade valve designed in accordance with JIS F7475 standards. Featuring a cast steel body, this 1-1/4 inch, JIS 32A valve is rated for JIS 30K pressure, ensuring reliable performance in marine applications. It comes with RF flanged ends for secure installation, making it ideal for regulating fluid flow in critical maritime systems.
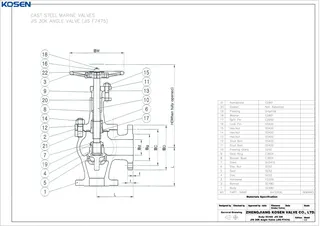
Product Name: JIS SC480 Angle Globe Valve
Design Standard: JIS F7475
Body Material: Cast Steel JIS SC480
Size: JIS 32A, 1-1/4 Inch
Pressure: JIS 30K
End Connection: RF Flanged
Operation: Handwheel
Product Range
Port Size: 32A–150A, 1-1/4–6 Inch
Structure: Upper Threaded Stem Stop Valve
Temperature: -29°C to 345°C
Medium: Sea Water, Fresh Water, Oil, etc.
Marine valves are critical components designed to regulate the pressure, flow rate, and direction of fluids within ship pipelines, ensuring they meet the specific environmental demands of marine operations. These valves serve as essential control devices in fluid systems, with primary functions including starting or stopping the flow of media, altering its direction, adjusting pressure and flow rates, and safeguarding the efficient operation of pipeline equipment.
Materials of Main Parts
|
NO |
Part Name |
Material |
|
1 |
Body |
SC480 |
|
2 |
Bonnet |
SC480 |
|
3 |
Handweel |
FC200 |
|
4 |
Disc |
SCS2 |
|
5 |
Seat |
SCS2 |
|
6 |
Disc Nut |
SCS2 |
|
7 |
Stem |
SUS410 |
|
8 |
Bonnet Bush |
C3604 |
|
9 |
Seat Ring |
C3604 |
|
10 |
Packing Gland |
S25C |
|
11 |
Stud Bolt |
SS 400 |
|
12 |
Stud Bolt |
SS 400 |
|
13 |
Hex.Nut |
SS 400 |
|
14 |
Hex.Nut |
SS 400 |
|
15 |
Hex.Nut |
SS 400 |
|
16 |
Lock Pin |
SS 400 |
|
17 |
Split Pin |
C2600 |
|
18 |
Washer |
C2801 |
|
19 |
Packing |
Graphite |
|
20 |
Gasket |
Non Asbestos |
|
21 |
Nameplate |
C2801 |
