The JIS SC450 Globe Valve is a high-performance valve designed for industrial and marine applications. Featuring a cast steel body and an upper threaded stem, this valve meets the JIS F7340 standard. It is sized at 1-1/4 inch (JIS 32A) and operates at a pressure rating of JIS 30K. The valve is equipped with RF flanged ends for secure installation and reliable sealing.
Product Name: JIS F7340 Cast Steel Globe Valve
Structure: Upper Threaded Stem Stop Valve
Design Standard: JIS F7340
Body Material: SC450
Size: JIS 32A, 1-1/4 Inch
Pressure: JIS 30K
End Connection: RF Flanged
Operation: Handwheel
Product Range
Structure: Upper threaded stem stop valve
Port size: JIS 32A-200A, 1-1/4 Inch - 8 Inch
Body Material: SC450
Pressure: JIS 30K
Temperature: -29°C to 345°C
Connection: RF Flange
Medium: Sea water, fresh water, oil, etc
Marine valves are essential components used to regulate the pressure, flow rate, and direction of fluids within ship pipelines, ensuring optimal performance under the specific environmental conditions of maritime operations. These valves function as control devices within fluid pipelines, with primary roles in starting or stopping the flow, altering the flow direction, adjusting pressure and flow rate, and safeguarding the proper functioning of pipeline equipment.
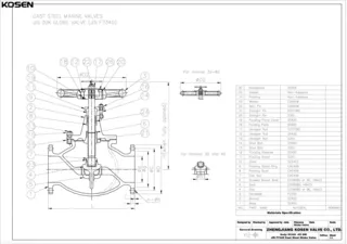
Materials of Main Parts
|
NO |
Part name |
Material |
|
1 |
Body |
SC450 |
|
2 |
Bonnet |
SC450 |
|
3 |
Handweel |
FC200 |
|
4 |
Disc |
C3782BD or BE, HBsC2 |
|
5 |
Seat |
C3782BD, HBsC2 |
|
6 |
Screwed Bonnet Bush |
C3782BD or BE, HBsC2 |
|
7 |
Disc Nut |
CAC406 |
|
8 |
Packing Bush |
CAC406 |
|
9 |
Packing Gland Ring |
CAC406 |
|
10 |
Stem |
SUS403 |
|
11 |
Packing Gland |
S25C |
|
12 |
Punding Receiver |
SS 400 |
|
13 |
Stud Bolt |
S35C |
|
14 |
Stud Bolt |
SS490 |
|
15 |
Hexagon Nut |
S25C |
|
16 |
Hexagon Nut |
S25C |
|
17 |
Hexagon Nut |
C3771BD |
|
18 |
Punding Piece |
SS 400 |
|
19 |
Punding Piece Cover |
SS 400 |
|
20 |
Straight Pin |
S35C |
|
21 |
Straight Pin |
D3771BD |
|
22 |
Split Pin |
C2600W |
|
23 |
Washer |
C2600W |
|
24 |
Packing |
Non-Asbestos |
|
25 |
Gasket |
Non-Asbestos |
|
26 |
Nameplate |
SS 304 |
