The Double Door Wafer Check Valve Supplier offers a high-performance solution for industrial fluid control. These valves are manufactured in compliance with the API 594 standard, ensuring reliability and precision. Constructed with an ASTM A216 WCB carbon steel body, they provide robust durability and resistance to harsh operating conditions. With a 20-inch (DN500) size and rated for Class 150 LB or PN20 pressure, these valves are ideal for large-scale industrial applications. The lug ends facilitate easy installation and integration into existing piping systems.
Product Name: Double Door Wafer Check Valve
Type: Wafer Check Valve
Design Standard: API 594
Body Material: ASTM A216 WCB
Size: 20 Inch, DN500
Pressure: Class 150 LB, PN20
End Connection: Lug
Temperature Range: -29°C to 595°C
Medium: Water, Gas, Oil, etc.
We are a specialized manufacturer of wafer check valves, which feature a unique center vertical pin shaft design. When the valve is open, the resultant force of the fluid acts directly on the center of the sealing face of the disc. Simultaneously, the counteracting spring support force is applied at the center of the disc surface. This design ensures that the disc opens from its root first, thereby avoiding the wear on the sealing surface that is common in traditional valves. As a result, the durability and longevity of the valve seal are significantly enhanced. The wafer check valve operates automatically, opening and closing based on the flow of the medium itself. Its primary function is to prevent the reverse flow of the medium, ensuring reliable and efficient operation in various applications.
Technical Specification
» Nominal Diameter: NPS 2–60 Inch (DN50–DN1500)
» Design Pressure: Class 150–2500 (PN10–PN420)
» Materials: ASTM A216 WCB, WCC, A217 WC6, WC9, C5, C12A, A352 LCB, LCC, A351 CF8, CF8M, CF3M, CF8C
» End Connections: wafer, Lug, Flanged.
» Design and Manufacture Standards: API 594, API 6D, JB/T 8937
» Face-to-Face (End-to-End): API 594, API 6D, JB/T 8937, DIN 3202
» Flanged Connection Standards: ANSI B16.5, DIN 2543–48, JB/T 9112–24
» Test and Inspection Standards: API 598, DIN 3230, JB/T 9092
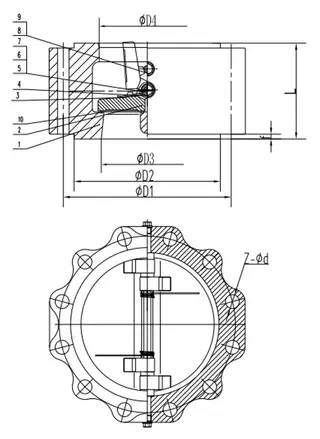
Structural Diagram

Product Features
» Light and Compact: Easy to install and handle due to its lightweight and compact design, saving space and effort.
» Zero Leakage Sealing Design with Soft Seated: Ensures a perfect seal with no leakage, providing reliable performance.
» Non-Slam Design: Prevents sudden closure, reducing noise and wear, and ensuring smooth operation.
» Bubble Tight Closure: Achieves an extremely tight seal, preventing any leakage or seepage.
» Discs Open 85°: Ensures a low pressure drop, allowing for efficient fluid flow and minimizing energy loss.