The Double Door Check Valve Manufacturer offers high-quality check valves designed in accordance with API 594 standards. These valves feature a carbon steel ASTM A216 WCB body and ASTM A182 F316 trim, ensuring durability and corrosion resistance. Available in customized sizes and pressure ratings, these valves are highly adaptable to specific industrial requirements. The lug type ends facilitate easy installation and secure connections.
Product Name: Double Door Check Valve
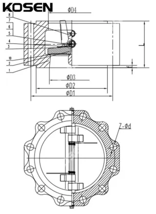
Type: Wafer Check Valve
Design Standard: API 594
Body Material: ASTM A216 WCB
Trim Material: ASTM A182 F316
Size: Customized
Pressure: Customized
End Connection: Lug
KOSEN specializes in manufacturing wafer check valves, designed with a center vertical pin shaft for enhanced performance. When the valve is open, the resultant force from the fluid acts directly on the center of the disc's sealing face, while the counter spring support force is applied to the center of the disc surface. This design ensures that the root of the disc opens first, reducing wear on the sealing surface compared to traditional valves. As a result, the valve seal is more durable. Wafer check valves are automatically opened and closed by the flow of the medium, and they are specifically used to prevent reverse flow, ensuring efficient one-way flow control.
Technical Specifications
» Nominal Diameter: NPS 2–60 Inch (DN50–DN1500)
» Design Pressure: Class 150–2500 (PN10–PN420)
» Materials: ASTM A216 WCB, WCC, A217 WC6, WC9, C5, C12A, A352 LCB, LCC, A351 CF8, CF8M, CF3M, CF8C
» End Connections: Wafer, Lug, Clamp, Flanged
» Design and Manufacture Standards: API 594, API 6D, JB/T 8937
» Face-to-Face (End-to-End): API 594, API 6D, JB/T 8937, DIN 3202
» Flanged Connection Standards: ANSI B16.5, DIN 2543–48, JB/T 9112–24
» Butt Welded End Standards: ANSI B16.25
» Test and Inspection Standards: API 598, DIN 3230, JB/T 9092
» Temperature Range: -29°C to 595°C
» Medium: Water, gas, oil, etc.

Product Features
» Light and Compact: Designed for ease of installation and efficient use in various applications.
» Zero Leakage Sealing Design with Soft Seated: Ensures tight sealing with no leakage, providing optimal performance and reliability.
» Non-Slam Design: Prevents the disc from slamming, minimizing the risk of damage and ensuring smooth operation.
» Bubble Tight Close Off: Guarantees a leak-proof closure for enhanced safety and efficiency.
» Discs Open 85°: Allows for minimal pressure drop, improving the flow efficiency within the system.