Two-piece Floating Ball Valve, 1-1/2 Inch, 600 LB, API 6D

Two-piece Floating Ball Valve, 1-1/2 Inch, 600 LB, API 6D
Two-piece Floating Ball Valve, 1-1/2 Inch, 600 LB, API 6D
Two-piece Floating Ball Valve, 1-1/2 Inch, 600 LB, API 6D
Two-piece Floating Ball Valve, 1-1/2 Inch, 600 LB, API 6D

Key Specifications / Features

We Provide Two-piece Floating Ball Valves, 1-1/2 Inch, Class 600 LB, API 6D, DN40, PN100, UNS N10276, RF End, Lever Operation, Full Bore, and Fireproof.
Request a quote

Quick Detail

Type Floating Ball Valve
Size 1-1/2"
Pressure 600LB
Connection RF
Operation Lever
Body Material UNS N10276
Design Norm API 6D
Face-to-Face Dimensions ASME B16.10
Flange End Dimensions(RF) ASME B16.5
Test & Inspection Code API 598
Temperature -54 ~ 400°C
Applicable Medium Water, Oil and Gas

Detail Information

1-1/2" 600LB Two-piece Floating Ball Valve RF API 6D

Introduction

1-1/2" 600LB ball valve is made according to API 6D standard. The valve body is made of UNS N10276. It has the structural characteristics of a full bore, floating ball, two-piece, fireproof design, anti-flying valve rod, and anti-static design. Its connection mode is RF. And it has a lever operation mode.

Features

1. The valve has a good sealing effect, low friction coefficient, small operating torque, various seat materials and a wide application range;
2. It has the characteristics of a compact structure and fast switching. It can close the valve and cut off the pipeline medium by turning 90 degrees.

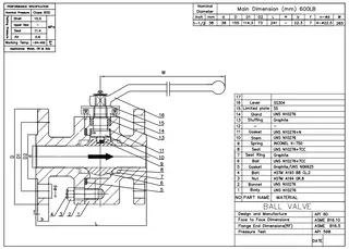
Technical Drawing

2PC Ball Valve Technical Drawing

Dimension Checking

Floating Ball Valve Dimension Check

Pressure Testing

Floating Ball Valve Witness Tests

Nameplate & Packing

Floating Ball Valve packing

Inspection report








 

Keywords of Two-piece Floating Ball Valve, 1-1/2 Inch, 600 LB, API 6D

1-1/2" Floating Ball Valve
600LB Floating Ball Valve
Two-piece Floating Ball Valve
RF Floating Ball Valve
API 6D Floating Ball Valve
Lever Floating Ball Valve
 

Send your message to this supplier

FAQs

Similar Products

Related Searches

Products you might also like