ASTM A351 CF8M Trunnion Mounted Ball Valve, API 6D, RF

ASTM A351 CF8M Trunnion Mounted Ball Valve, API 6D, RF

Key Specifications / Features

ASTM A351 CF8M Trunnion Mounted Ball Valve Provider: 2PC Trunnion-mounted Ball Valves, Full Bore, RF, ASTM A351 CF8M, 2 Inch, Class 600 LB, Lever Operated.
Request a quote

Quick Detail

2 inch 600 LB 2PC Trunnion-mounted Ball Valve, Full Bore, Fire-proof, RF, CF8M, Devlon Seat Lever

Type: Ball Valve
Nominal Diameter: 2 Inch
Nominal Pressure: Class 600 LB
Construction Type: 2 Piece Type, Trunnion-mounted Ball, Full Bore
Connection Type: RF
Operation Type: Lever
Body Material: ASTM A351 CF8M
Trim Material: ASTM A182 F316
Design Code: API 6D
F to F Code: ASME B16.10, API 6D
Flange Dimension: ASME B16.5, ASME B16.47A
Test & Inspect: API 598
Pressure & Temp.: ASME B16.34
Medium: Water, Gas, Oil
 

Detail Information

Type Ball Valve
Nominal Diameter 2 Inch
Nominal Pressure 600 LB
Construction Type 2 Piece Type, Trunnion-mounted Ball, Full Bore
Connection Type RF
Operation Type Lever
Body Material ASTM A351 CF8M
Trim Material ASTM A182 F316
Design Code API 6D
F to F Code ASME B16.10, API 6D
Flange Dimension ASME B16.5, ASME B16.47A
Test & Inspect API 598
Pressure&Temp. ASME B16.34
Medium Water, Gas, Oil
Origin China
 
Features
FIRE SAFE DESIGN: Metal seat design provides a fire-safe shut-off per API 607. Additionally,  graphite body seals and flexible graphite packing prevents leakage through the body joints and stuffing box, respectively.
 
ANTI-STATIC DEVICES: Standard anti-static devices ensure electrical continuity between the ball, stem, and body, eliminating the possibility of sparks within the valve created by static electrical charges.
 
BLOWOUT-PROOF STEM DESIGN: Valves are designed with stem/body connection preventing stem blowout under line pressure.
 
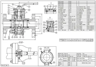
Technical Drawing
Technical Drawing
 
Dimension Check
Dimension Check
 
Witnessing Tests
Witnessing Tests
 
Packing
Packing
 

Product Range

Why choose Kelly as your partner? 
 
One-Stop Service
Here in Kelly, we can provide you with a one-stop service through our complete product list, which means, you don’t need to search for various suppliers for different types of valves, and it will surely save your time and energy. All you need to do is choose Kelly and we will provide complete solutions to you.
 
On-Time Delivery
Kelly keeps a high percentage of on-time delivery. Why could we achieve that? Our purchasing team follows the order very closely. Plus, our QC and salesperson will also do monitoring jobs on each order.
 
Strict Quality Control
All the members of the QC team are very experienced and professional. For each order, they will check the raw material, manufacturing process, do the pressure testing on shell and seal, and check the valve dimension per assembly drawing. Lastly, they will inspect the painting and packaging.
 

Keywords of ASTM A351 CF8M Trunnion Mounted Ball Valve, API 6D, RF

2 inch Ball Valves
ball valve 2 inch price
Best ball Valve Supplier
ball valves manufacturers
 

Send your message to this supplier

FAQs

Similar Products

Related Searches

Products you might also like