Forged ASTM A182 F316 Globe Valve, DN25, PN40, BS 5352

Forged ASTM A182 F316 Globe Valve, DN25, PN40, BS 5352

Key Specifications / Features

Cryogenic Forged ASTM A182 F316 Globe Valve Provider: Cryogenic Forged Globe Valve, ASTM A182 F316, DN25, PN40, Needle Disc Handwheel, BS 5352.
Request a quote

Detail Information

Name: DN25 PN40 Cryogenic Forged Globe Valve, Needle Disc Handwheel, Cryogenic Globe Valves, Forged Steel Valves, 1.5 inch Globe Valves, STL Seated Valves.
 
Quick Detail
Type Globe Valve
Nominal Diameter DN25
Nominal Pressure PN40
Construction Cryogenic Type; Needle Disc
Connection Flange-C DIN2526
Design & Manufacture BS 5352
F to F Dimension EN 558
Flange Dimension EN 1092 Form C
Test & Inspection  EN 12266
Body Material ASTM A182 F316
Disc Material ASTM A182 F316
Seat Material STL
Media Water, Steam, Oil, etc
 
Features
--Extended bonnets with sufficient gas column length, usually specified by customer, are supplied for all valves to keep stem packing at sufficient distance away from the cold fluid to remain functional.
 
--Cleaning: All cryogenic valves are thoroughly degreased and cleaned and pipe ends are sealed to prevent contamination.
 
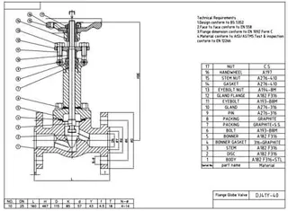
Technical Drawing
Technical Drawing 
Witness Tests
Witness Tests 
 Name Plate & Packing
Name Plate & Packing 
FAQ
1. Can the orders always be delivered on time?
Our purchasing team follows up very closely with each order to make sure on-time delivery for most of orders. In 2018, more than 90% orders were delivered on time, and we are dedicated to doing better.
 
2. What's the normal delivery lead time?
For normal material, usually the delivery time is about 35~40 days, and for forged material, the delivery can even be shortened to 20~25 days. We believe the short lead time can make our offer more competitive and help you secure more orders.
 
3. Do you have different price levels for us?
With our numerous suppliers, different price levels are available with us, so we are able to help you win more customer from different markets requesting for high, medium and low prices.
 

Send your message to this supplier

FAQs

Similar Products

Related Searches

Products you might also like