BS 5352 Forged Steel ASTM A182 F316 Globe Valve, DN25, PN40

BS 5352 Forged Steel ASTM A182 F316 Globe Valve, DN25, PN40

Key Specifications / Features

ASTM A182 F316 Forged Steel Globe Valve Producer: Cryogenic Forged Steel Globe Valve, ASTM A182 F316, DN25, PN40, BS 5352, STL Seated.
Request a quote

Detail Information

Name: ASTM A182 F316 Forged Steel Globe Valve, DN25, PN40, BS 5352.

Features
--Extended bonnets with sufficient gas column length, usually specified by customer, are supplied for all valves to keep stem packing at sufficient distance away from the cryogenic fluid to remain functional.

--Cleaning: All cryogenic valves are thoroughly degreased and cleaned and pipe ends are sealed to prevent contamination. 

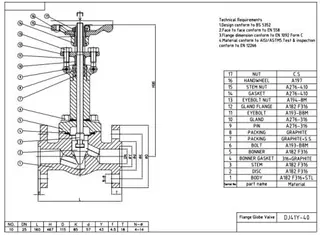
Type: Globe Valve.
Nominal Diameter: DN25.
Nominal Pressure: PN40.
Construction: Cryogenic Type; Needle Disc.
Connection: Flange-C DIN 2526.
Design & Manufacture: BS 5352.
F to F Dimension: EN 558.
Flange Dimension: EN 1092 Form C.
Test & Inspection: EN 12266.
Body Material: F316.
Disc Material: F316.
Seat Material: STL.
Media: Water, Steam, Oil, etc.

Technical Drawing
Technical Drawing 
Witness Tests
Witness Tests  
Name Plate & Packing
Name Plate & Packing
 

Send your message to this supplier

FAQs

Similar Products

Related Searches

Products you might also like