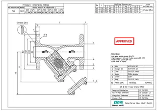
|
Type |
Y Type Strainer |
|
Size |
DN100 |
|
Pressure |
PN40 |
|
Connection |
RF |
|
Body Material |
EN 10213 1.0619 |
|
Design Norm |
BS EN 13709 |
|
Face to Face Dimensions |
BS EN 558-1 S.1 |
|
Flange Ends Dimensions |
BS EN 1092-B1 |
|
Test & Inspection Code |
BS EN 12266 |
|
Applicable Medium |
Water, Oil and Gas |
EN 10213 1.0619 Y Strainer, BS EN 13709.
Features
1. Compact design, small size, minimal space occupation, easy to install and maintain in various pipeline systems.
2. Optimization design of flow channels. Being able to filter impurities while maintaining low fluid pressure loss, improving system efficiency.
Technical Drawing

Dimension Checking

Pressure Testing

Nameplate & Packing

Inspection Report



