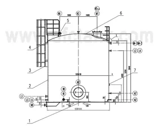
Name:
Large Storage Tank.
Material:
Q235-B.
Standard: API 650, GB 50341.
Welding Code: JB/T4709.
Welding Structure: Full Penetration Weld Except Noted.
Fluid Performance: Flammable.
Working Temperature(In/Out): 4℃ to 50℃.
Design Temperature: 4℃ to 80℃.
Working Pressure: ATM (Standard Atmosphere).
Design Pressure: -490 PaG to 20,000 PaG.
Corrosion Allow: 3mm.
Full Capacity: 400 m3.
Weight (Net Mass): Up to 10,000 kg.
Weight (Mass of Full Water): Up to 120,000 kg.
