Fixed Roof Storage Tank, Welded, SS400, API 650, GB 50341

Fixed Roof Storage Tank, Welded, SS400, API 650, GB 50341

Key Specifications / Features

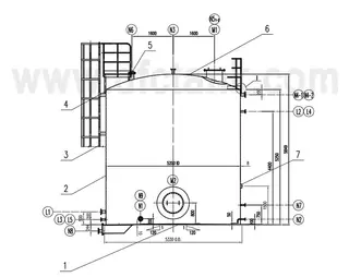
Elevate your storage solutions with our state-of-the-art Fixed Roof Storage Tank, meticulously manufactured to meet the highest standards. Crafted in a welded configuration according to API 650 and GB 50341 specifications, this tank ensures durability and reliability. Made from high-quality SS400, it boasts a full capacity of 400 m³, accommodating various storage needs. With a pressure range from -490 PaG to 20,000 PaG, this tank provides versatility for diverse industrial applications.
Request a quote

Detail Information


Product Name: Fixed Roof Storage Tank
Material: Q235B, ASTM A36, SS400
Standard: API 650, GB 50341
Welding Code: JB/T 4709
Welding Structure: Full Penetration Weld Except Noted
Fluid Performance: Flammable
Working Temperature(In/Out): 4℃ to 50℃
Design Temperature: 4℃ to 80℃
Working Pressure: ATM (Standard Atmosphere)
Design Pressure: -490 PaG to 20,000 PaG
Corrosion Allow: 3 MM
Full Capacity: 400 m³
Weight (Net Mass): Up to 10000 KG
Weight (Mass of Full Water): Up to 120000 KG


Fixed Roof Storage Tank
 

Send your message to this supplier

FAQs

Similar Products

Related Searches

Products you might also like