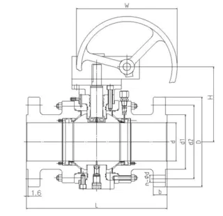
The 3-Piece Trunnion Mounted Ball Valve is built for high-performance and durability in demanding industrial systems. With a cast carbon steel body (ASTM A216 WCB), this valve features a large 24 * 20 inch (DN600*DN500) size and is rated for Class 1500 LB and PN250 pressure. It adheres to API 6D standards, ensuring reliable operation in high-pressure environments. The valve includes RF flanged ends for secure installation, and its trunnion-mounted design provides enhanced control and stability under heavy-duty applications.
Product Name: 3 Piece Trunnion Mounted Ball Valve
Design Standard: API 6D
Body Material: ASTM A216 WCB
Size: 24 * 20 Inch, DN600*DN500
Pressure Rating: Class 1500 LB, PN250
Face to Face: ANSI B16.10
Test & Inspection: API 598
Flange End: ANSI B16.5
End Connection: RF Flanged Ends
Operation: Wormgear
Applicable Media: Water, Oil, Gas, etc

Yes, 3.2 certificates are available at an additional cost. We work with reputable third-party inspection agencies (TPI) such as BV, TUV, SGS, or LR, who will inspect the valves and issue signed certificates provided with the shipment.
Да, сертификат 3.2 доступен за дополнительную плату. Мы привлекаем авторитетные третьи инспекционные организации (TPI), такие как BV, TUV, SGS, LR, для инспекции клапанов. Сертификаты подписываются и выдаются этими организациями и предоставляются вместе с клапанами.
Sí, el certificado 3.2 está disponible con coste adicional. Contamos con organismos de inspección reconocidos como BV/TUV/SGS/LR para inspeccionar las válvulas. Los certificados serán firmados y emitidos por estos TPI y se entregarán junto con las válvulas.