Usage
The top entry ball valve is mainly used on pipelines and industrial systems. It has such advantages as top online maintenance function, small fluid resistance, simple structure, reliable sealing, convenient operation and maintenance, rapid on-off operation, flexible opening and closing, etc. The driving modes include manual operation, worm and worm gear transmission, pneumatic operation and electric operation. The connection ends can be flange or butt welding.
Integral structure
The body adopts the integral structure, so as to ensure that it has enough strength and rigidity under the maximum rated working pressure. The valve trims have been carefully designed and selected to ensure reliability under various service conditions. The sufficient wall thickness and the connection bolts of high strength are very helpful to the maintenance and servicing of valves and are able to endure pipeline stress.
Top Entry Structure
The valve adopts the top entry structure. The most distinctive difference between this kind of valve and others is that the online maintenance function can be realized without the need of removing the valve from the pipeline. The seat adopts the concession-type seat structure, and the rear end of the seat retainer is set as an oblique angle to p「event impurities accumulated on the seat from influencing the concession of the seat.
Top Entry Ball Valve, Class 900LB Structure


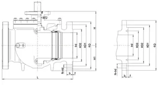
Top Entry Ball Valve, Class 900LB Drawing
Top Entry Ball Valve, Class 900LB Dimensions
