Stainless Steel Sanitary Check Valve, SS 304 / 316 / 304L / 316L

Stainless Steel Sanitary Check Valve, SS 304 / 316 / 304L / 316L

Key Specifications / Features

China Sanitary Check Valve Manufacturer Shinjo Supplies Stainless Steel Sanitary Check Valve, SS 304 / 316 / 304L / 316L.
Request a quote

Detail Information

Stainless Steel Sanitary Check Valves
Materials: SS 304 / 316 / 304L / 316L
Pipe Flow Control: DN 25 - 150 mm and 1"-6" are Applied to Stainless Steel Pipe Systems
Connections: Threaded, Welded, Clamped, Flanged.    

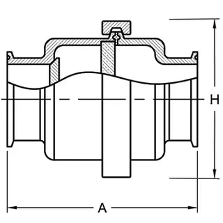
Dimensions
Stainless Steel Sanitary Check Valve Structure
DN A H ISO A H
25 62.5 82 25 62.5 82
32 75 95.5 38 75 95.5
40 75 95.5 51 87.5 109
50 87.5 109 63.5 95 137
65 95 137 76.1 115 148
80 115 148 101.6 155 164
100 155 164      

Send your message to this supplier

FAQs

Similar Products

Related Searches

Products you might also like