Accurate Hydraulic Diaphragm Metering Pump JYSX
Capacity range 10-180lph, 8-140bar
JYSX series hydraulic diaphragm pump is robust and minimal maintenance design. It is integrated with air release valve, safety valve, and oil make-up valve. The air in the dosing head can be automatically released.
Features of Hydraulic Diaphragm Metering Pump:
This hydraulic diaphragm metering pump consists of three main devices: (1) driving device, (2) adjusting device, (3) liquid delivery device. The crankshaft which reduces motor rotation speed by worm and worm gear makes the piston reciprocate in the hydraulic oil chamber. This reciprocating movement of the piston makes the PTFE diaphragm and the liquid which is isolated by the diaphragm sucked and discharged. Each pump is with internal pressure relief valve protecting pump from over pressure conditions.
The flow rate can be adjusted via unique adjusting mechanism from 0-100%. The adjustment can be carried when the pump is in operation or at stop. The steady state accuracy is ±1% from 30%-100% of the maximum output. Automatic operation is achieved by variable speed drive.
These hydraulic diaphragm metering pumps are capable of dosing corrosive, vaporing, flammable, explosive or toxic solutions. It can also transport suspended liquid or moderately viscous liquid.
Double diaphragm with diaphragm rupture detecting system is available to prevent the accident caused by the mixture of hydraulic oil and the liquid after diaphragm ruptures.
Materials:
1. Pump head: SS304, SS316
2. Pump case: Cast iron
3. Diaphragm: PTFE
4. Valves: SS304, SS316
5. Valve ball: SS304, SS316, ceramic
Power Supply:
380V 3 phase on standard, single phase or other voltage on request; EX-proof motor is available on request.
Parameter Table:
| Model |
50Hz |
60 Hz |
Pressure |
Plunger
Dia.
(mm) |
Diaphragm
Dia.
(mm) |
Stroke
Length
(mm) |
Power
kW(HP) |
Inlet&Outlet Size |
Connection Size |
Flow
(lph) |
Flow
(gph) |
SPM |
Flow
(gph) |
Flow
(lph) |
SPM |
(Bar) |
(Psi) |
| JYSX 10/14 |
10 |
2.6 |
80 |
3.2 |
12 |
96 |
140 |
2030 |
12 |
67 |
20 |
0.37(0.5) |
DN6 |
DN15
(union for welding) |
| JYSX 15/14 |
15 |
4.0 |
120 |
4.8 |
18 |
144 |
140 |
2030 |
12 |
67 |
| JYSX 27/7.6 |
27 |
7.1 |
8.6 |
32 |
76 |
1102 |
16 |
67 |
| JYSX 40/5.0 |
44 |
12 |
14 |
53 |
50 |
725 |
20 |
80 |
| JYSX 65/3.2 |
68 |
18 |
22 |
82 |
32 |
464 |
25 |
80 |
DN10 |
DN15
(union for welding) |
| JYSX 86/2.5 |
86 |
23 |
27 |
103 |
25 |
363 |
28 |
97 |
| JYSX 112/2.0 |
112 |
30 |
36 |
134 |
20 |
290 |
32 |
97 |
| JYSX 135/1.6 |
135 |
36 |
43 |
162 |
16 |
232 |
35 |
97 |
| JYSX 160/1.3 |
160 |
42 |
51 |
192 |
13 |
189 |
38 |
97 |
| JYSX 180/0.8 |
180 |
48 |
57 |
216 |
8 |
116 |
40 |
97 |
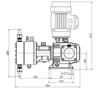
Installation Drawing:
