ISO Cast Iron Split Case Pump, 18000 m3/h, 135 Meters

ISO Cast Iron Split Case Pump, 18000 m3/h, 135 Meters

Key Specifications / Features

Cast Iron Split Case Pump Factory in China: Cast Iron Split Case Pump, ISO, DIN, BS, ANSI Standards, Capacity 18000 m3/h, Head 135 Meters, Pressure 2.5 MPa.
Request a quote

Detail Information

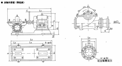
Product name: Cast Iron Split Case Pump.
Material: Cast Iron.
Design & Manufacture: ISO, DIN, BS or ANSI Standards.
Diameter of pumps inlet: DN 100-1400mm.
Capacity: 0 to 18000 m3/h.
Head: 0 to 135 Meters.
Working Pressure: 0 to 2.5 MPa.
Working Temperature: 0 to 135℃.
Applications: Applied to oil refining, water supply, power station, fire fighting, etc.




 

Send your message to this supplier

FAQs

Similar Products

Related Searches

Products you might also like