Double Diaphragm Pump, Material Polypropylene (PP/PVDF/PTFE)

Double Diaphragm Pump, Material Polypropylene (PP/PVDF/PTFE)

Key Specifications / Features

China Double Diaphragm Pump Manufacturer Shinjo Supplies Polypropylene Double Diaphragm Pump in PP, PVDF, PTFE Materials.
Request a quote

Detail Information

  • [PERFECT PUMP] - The diaphragm pump uses compressed air as a power source, for various corrosive liquids, with granular liquid, high viscosity, volatile, flammable, toxic liquid, can be exhausted and sucked out.(Not applicable to more than 70 degrees)
  • [EFFICIENT DESIGN & CAPABILITIES] - Our Diaphragm Pumps are compact, light weight & built of a polypropylene body for rigorous applications & material.
  • [PERFECT STRUCTURE] - Features an externally serviceable air distribution system and all-bolted construction.
  • [EASY to INSTALL] - The structure is simple, and the wearing parts are few. The pump has a simple structure, easy installation and maintenance.
  • [WIDELY USED] - Used in various industries, such as petroleum, metallurgy, mining, coating material, printing, paper making, water treatment, automotive etc.
The connection schematic diagram for Double Diaphragm Pumps

Double Diaphragm pump drawing
Double Diaphragm Pump drawing

Double Diaphragm pump drawing
Double Diaphragm pump drawing

Double Diaphragm pump drawing
Double Diaphragm pump drawing

More Information for Stainless Steel Diaphragm Pump 
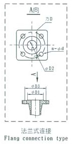
Model A B C D E H1 H2 H3 H Screw Flange
NPT/RC D1 D2 D3 D n g
QBY-10 130 50 220 145 10 39 195 10 270 1/2 - - - - - -
QBY-15 130 50 220 145 10 39 195 10 270 1/2 - - - - - -
QBY-25 245 160 360 250 12 63 360 36 470 2 - - - - - -
QBY-40 245 160 360 250 12 63 360 35 470 11/2 11/4 - - - - - -
QBY-50 335 220 540 345 16 88 - 25 720 - 90 50 110 130-130 4 14
QBY-65 335 220 540 345 16 88 - 25 720 - 110 65 130 130-130 4 14
QBY-80 425 250 570 450 18 110 - 32 900 - 125 80 150 160-160 4 18
QBY-100 425 250 570 450 18 110 - 32 900 - 145 100 170 160-160 4 18

Stainless Steel Diaphragm Pump Preformance Parameter
Model Discharge
(m3/h)
Head
(m)
Exit pressure
(kgf/cm2)
Sucked
Lift
(m)
Max grain Dia
(mm)
Max pressure
(kgf/cm2)
Max air consumption
(m3/min)
Materials
ZL104 1Cr18
Ni9Ti
HT200 Enhanced
Polypr
opyene
F4 F46
(EFP)PO
QBY-10 0-0.8 0-50 6 5 1 7 0.3 * * * * /
QBY-15 0-1 0-50 6 5 1 7 0.3 * * * * /
QBY-25 0-2.4 0-50 6 7 2.5 7 0.6 * * * *  
QBY-40 0-8 0-50 6 7 4.5 7 0.6 * * * * *
QBY-50 0-12 0-50 6 7 8 7 0.9 * * * / *
QBY-65 0-16 0-50 6 7 8 7 0.9 * * * / *
QBY-80 0-24 0-50 6 7 10 7 1.5 * * * / /
QBY-100 0-30 0-50 6 7 10 7 1.5 * * * / /

Send your message to this supplier

FAQs

Similar Products

Related Searches

Products you might also like