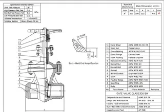
Product Item: Wedge Gate Valve
Design Standard: API 600
Structure: Bolted Bonnet
Nominal size: 24 Inch
Nominal class: 150 LB
Bore Type: Standard Bore
End Connection: RF (Raised Face)
Operation: Handwheel
Body Material: ASTM A216 WCB
Trim Material: 1Cr13+STL, No.8
Face to face: ASME B16.10
Test and inspection: API 598
Key Features: Flexible Wedge, OS&Y, Non-rising Handwheel, Low fugitive emission stem packing available, Renewable Seat
Product Range
Body material: Carbon Steel
Normal diameter: 2 - 48 Inch (DN50 - DN1200)
Pressure range: 150 - 2500 LB
End connection: RF, RTJ, BW
Working temperature: -29℃ - +350℃
Operation: Handwheel, Gear, Motor Actuator
