
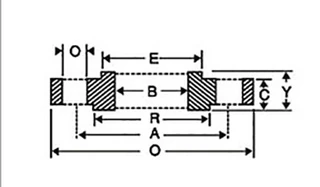
|
Size
(NPS) |
Outside Diameter of Flange
A |
Thickness of Flange
C |
Diameter of Bore
E |
Diameter of Hub at Base
J |
Length of Hub
L |
Diameter of Raised Face
T |
Diameter of Groove
U |
Groove Width
W |
Groove Depth
X |
Number of Bolt Holes
|
Diameter of Bolt Holes
|
Bolt Circle Diameter
P |
|---|---|---|---|---|---|---|---|---|---|---|---|---|
| 1/2 | 3 3/4 | 1/2 | 0.88 | 1 1/2 | 7/8 | 2 | 1 11/32 | 9/32 | 7/32 | 4 | 5/8 | 2 5/8 |
| 3/4 | 4 5/8 | 9/16 | 1.09 | 1 7/8 | 1 | 2 1/2 | 1 11/16 | 11/32 | 1/4 | 4 | 3/4 | 3 1/4 |
| 1 | 4 7/8 | 5/8 | 1.36 | 2 1/8 | 1 1/16 | 2 3/4 | 2 | 11/32 | 1/4 | 4 | 3/4 | 3 1/2 |
| 1 1/4 | 5 1/4 | 11/16 | 1.70 | 2 1/2 | 1 1/16 | 3 1/8 | 2 3/8 | 11/32 | 1/4 | 4 | 3/4 | 3 7/8 |
| 1 1/2 | 6 1/8 | 3/4 | 1.95 | 2 3/4 | 1 3/16 | 3 9/16 | 2 11/16 | 11/32 | 1/4 | 4 | 7/8 | 4 1/2 |
| 2 | 6 1/2 | 13/16 | 2.44 | 3 5/16 | 1 5/16 | 4 1/4 | 3 1/4 | 15/32 | 5/16 | 8 | 3/4 | 5 |
| 2 1/2 | 7 1/2 | 15/16 | 2.94 | 3 15/16 | 1 1/2 | 5 | 4 | 15/32 | 5/16 | 8 | 7/8 | 5 7/8 |
| 3 | 8 1/4 | 1 1/16 | 3.57 | 4 5/8 | 1 11/16 | 5 3/4 | 4 7/8 | 15/32 | 5/16 | 8 | 7/8 | 6 5/8 |
| 3 1/2 | 9 | 1 1/8 | 4.07 | 5 1/4 | 1 3/4 | 6 1/4 | 5 3/16 | 15/32 | 5/16 | 8 | 7/8 | 7 1/4 |
| 4 | 10 | 1 3/16 | 4.57 | 5 3/4 | 1 7/8 | 6 7/8 | 5 7/8 | 15/32 | 5/16 | 8 | 7/8 | 7 7/8 |
| 5 | 11 | 1 6/16 | 5.66 | 7 | 2 | 8 1/4 | 7 1/8 | 15/32 | 5/16 | 8 | 7/8 | 9 1/4 |
| 6 | 12 1/2 | 1 3/8 | 6.72 | 8 1/8 | 2 1/16 | 9 1/2 | 8 5/16 | 15/32 | 5/16 | 12 | 7/8 | 10 5/8 |
| 8 | 15 | 1 9/16 | 8.72 | 10 1/4 | 2 7/16 | 11 7/8 | 10 5/8 | 15/32 | 5/16 | 12 | 1 | 13 |
| 10 | 17 1/2 | 1 13/16 | 10.88 | 12 5/8 | 2 5/8 | 14 | 12 3/4 | 15/32 | 5/16 | 16 | 1 1/8 | 15 1/4 |
| 12 | 20 1/2 | 1 15/16 | 12.88 | 14 3/4 | 2 7/8 | 16 1/4 | 15 | 15/32 | 5/16 | 16 | 1 1/4 | 17 3/4 |
| 14 | 23 | 2 1/16 | 14.14 | 16 3/4 | 3 | 18 | 16 1/2 | 15/32 | 5/16 | 20 | 1 1/4 | 20 1/4 |
| 16 | 25 1/2 | 2 3/16 | 16.16 | 19 | 3 1/4 | 20 | 18 1/2 | 15/32 | 5/16 | 20 | 1 3/8 | 22 1/2 |
| 18 | 28 | 2 5/16 | 18.18 | 21 | 3 1/2 | 22 5/8 | 21 | 15/32 | 5/16 | 24 | 1 3/8 | 24 3/4 |
| 20 | 30 1/2 | 2 7/16 | 20.20 | 23 1/8 | 3 3/4 | 25 | 23 | 17/32 | 3/8 | 24 | 1 3/8 | 27 |
| 22 | 33 | 2 9/16 | 22.22 | 25 1/4 | 4 | 27 | 25 | 19/32 | 7/16 | 24 | 1 5/8 | 29 1/4 |
| 24 | 36 | 2 11/16 | 24.25 | 27 5/8 | 4 3/16 | 29 1/2 | 27 1/4 | 21/32 | 7/16 | 24 | 1 5/8 | 32 |