
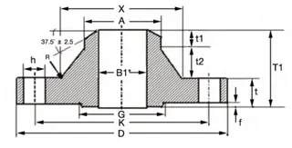
| Size | Outside Diam. |
Bore Diam. STD |
Thickness | Total Thickness |
Neck | Hub | Radius | Holes | Raised Face |
||||||
| Base Diam. |
Thickness | Thickness | Diam. | Diam. | No. | P.C.D | Outside Diam. |
Thickness | |||||||
| mm | inch | D | B1* | t | T1 | X | t2 | t1 | A | R | h | n | K | G | f |
| 15 | 1/2 | 95.25 | 15.75 | 14.22 | 52.32 | 38.10 | 30.48 | 7.62 | 21.34 | 3.05 | 15.75 | 4.00 | 66.55 | 35.05 | 6.35 |
| 20 | 3/4 | 117.35 | 20.83 | 15.75 | 57.15 | 47.75 | 33.02 | 8.38 | 26.67 | 3.05 | 19.05 | 4.00 | 82.55 | 42.93 | 6.35 |
| 25 | 1 | 123.95 | 26.67 | 17.53 | 61.98 | 53.85 | 35.56 | 8.89 | 33.53 | 3.05 | 19.05 | 4.00 | 88.90 | 50.80 | 6.35 |
| 32 | 1 1/4 | 133.35 | 35.05 | 20.57 | 66.55 | 63.50 | 36.83 | 9.14 | 42.16 | 4.83 | 19.05 | 4.00 | 98.55 | 63.50 | 6.35 |
| 40 | 1 1/2 | 155.45 | 40.89 | 22.35 | 69.85 | 69.85 | 38.10 | 9.40 | 48.26 | 6.35 | 22.35 | 4.00 | 114.30 | 73.15 | 6.35 |
| 50 | 2 | 165.10 | 52.58 | 25.40 | 73.15 | 84.07 | 38.10 | 9.65 | 60.45 | 7.87 | 19.05 | 8.00 | 127.00 | 91.95 | 6.35 |
| 65 | 2 1/2 | 190.50 | 62.74 | 28.45 | 79.25 | 100.08 | 40.64 | 10.16 | 73.15 | 7.87 | 22.35 | 8.00 | 149.35 | 104.65 | 6.35 |
| 80 | 3 | 209.55 | 77.98 | 31.75 | 82.55 | 117.35 | 40.64 | 10.16 | 88.90 | 9.65 | 22.35 | 8.00 | 168.15 | 127.00 | 6.35 |
| 90 | 3 1/2 | 228.60 | 90.17 | 35.05 | 85.85 | 133.35 | 40.64 | 10.16 | 101.60 | 9.65 | 25.40 | 8.00 | 184.15 | 139.70 | 6.35 |
| 100 | 4 | 273.05 | 102.36 | 38.10 | 101.60 | 152.40 | 50.80 | 12.70 | 114.30 | 11.18 | 25.40 | 8.00 | 215.90 | 157.53 | 6.35 |
| 125 | 5 | 330.20 | 128.27 | 44.45 | 114.30 | 188.98 | 55.88 | 13.97 | 141.22 | 11.18 | 28.45 | 8.00 | 266.70 | 185.67 | 6.35 |
| 150 | 6 | 355.60 | 154.18 | 47.75 | 117.35 | 222.25 | 55.63 | 13.97 | 168.40 | 12.70 | 28.45 | 12.00 | 292.10 | 215.90 | 6.35 |
| 200 | 8 | 419.10 | 202.69 | 55.63 | 133.35 | 273.05 | 62.23 | 15.49 | 219.20 | 12.70 | 31.75 | 12.00 | 349.25 | 269.75 | 6.35 |
| 250 | 10 | 508.00 | 254.51 | 63.50 | 152.40 | 342.90 | 71.12 | 17.78 | 273.05 | 12.70 | 35.05 | 16.00 | 431.80 | 323.85 | 6.35 |
| 300 | 12 | 558.80 | 304.80 | 66.55 | 155.45 | 400.05 | 71.12 | 17.78 | 323.85 | 12.70 | 35.05 | 20.00 | 488.95 | 381.00 | 6.35 |
| 350 | 14 | 603.25 | 336.55 | 69.85 | 165.10 | 431.80 | 76.20 | 19.05 | 355.60 | 12.70 | 38.10 | 20.00 | 527.05 | 412.75 | 6.35 |
| 400 | 16 | 685.80 | 387.35 | 76.20 | 177.80 | 495.30 | 81.28 | 20.32 | 406.40 | 12.70 | 41.15 | 20.00 | 603.25 | 469.90 | 6.35 |
| 450 | 18 | 742.95 | 438.15 | 82.55 | 184.15 | 546.10 | 81.28 | 20.32 | 457.20 | 12.70 | 44.45 | 20.00 | 654.05 | 533.40 | 6.35 |
| 500 | 20 | 812.80 | 488.95 | 88.90 | 190.50 | 609.60 | 81.28 | 20.32 | 508.00 | 12.70 | 44.45 | 24.00 | 723.90 | 584.20 | 6.35 |