1000 PSI Ball Valve, 3PC, ASTM A351 CF8, 1 Inch, BW Ends

1000 PSI Ball Valve, 3PC, ASTM A351 CF8, 1 Inch, BW Ends

Key Specifications / Features

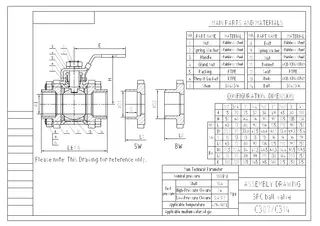
We Provide 1000 PSI Ball Valves, Cast Stainless Steel 3PC Ball Valves, ASTM A351 CF8, 1 Inch, 1000 PSI, BW Ends, Lever Operator, and PTFE Seat.
Request a quote

Detail Information

3-PC CAST STAINLESS STEEL BALL VALVE 1000PSI Working Pressure Body: ASTM A351 CF8, SEAT: PTFE, BW Ends, Lever Operator

Product Item: 3PC Ball Valve
Material: Cast Stainless Steel
Working Pressure: 1000 PSI
Size: 1 Inch, DN25, 25 mm
Material: ASTM A351 CF8
End Connection: BW Ends




 

Similar Products

Related Searches

Products you might also like

Send your message to this supplier