The Single Disc Piston Check Valve is a high-quality valve designed for reliable flow control. It features an Aluminum Bronze body (ASTM B148 C95800), ensuring durability and corrosion resistance. The valve has a DN25 (1 inch) size with a PN16 pressure rating and conforms to API 594 standards. It operates in a pressure class of 150 LB and is equipped with wafer ends for easy installation. This valve is ideal for applications requiring precise control and long-term performance.
Product Name: Single Disc Piston Check Valve
Design Standard: API 594
Body Material: Aluminum Bronze ASTM B148 C95800
Size: DN25, 1 Inch
Pressure: PN16, Class 150 LB
End Connection: Wafer
Medium: Water, Gas, Oil, etc
Temperature Range: -29°C to 595°C
The Single Disc Piston Check Valve is an essential component designed to automatically prevent fluid backflow. This valve operates by opening its disc under the action of fluid pressure, allowing fluid to flow smoothly from the inlet side to the outlet side. When the pressure on the inlet side drops below that of the outlet side, the disc closes automatically, influenced by fluid pressure, gravity, and other factors, effectively preventing fluid backflow. This versatile valve can be installed in either a horizontal or vertical orientation. For vertical installations, it is crucial to ensure that the fluid flows from the bottom to the top. Proper attention to the installation direction is necessary to guarantee the valve functions correctly and efficiently.
Technical Specification
» Type: Single Disc Piston Check Valve
» Nominal Diameter: NPS 1/2-4 Inch (DN15-DN100)
» Design Pressure: Class 150-900 LB (PN10-PN160)
» Material: ASTM A105, A350 LF2, A182 F304, F304L, F316, F316L
» End Connection: Wafer End
» Design and Manufacture: API 594, API 6D, JB/T 8937
» Face to Face (End to End): API 594, API 6D, JB/T 8937, DIN 3202
» Flanged Connection: ANSI B16.5, DIN 2543-48, JB/T 9112~24
» Test and Inspection: API 598, DIN 3230, JB/T 9092
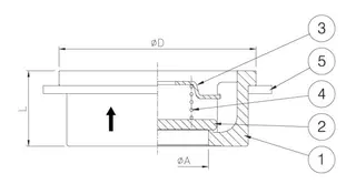
Structural Diagram

Product Features
» Light and Compact Design: The Single Disc Piston Check Valve is engineered to be lightweight and compact, making it easy to install and maintain in various piping systems.
» Zero Leakage Sealing with Soft Seated: This valve features a zero-leakage sealing design with a soft seat, ensuring a tight seal and preventing any fluid leakage.
» Non-Slam Design: The valve is designed to prevent water hammer and reduce noise, providing smooth and quiet operation.
» Bubble Tight Closure: Achieves a perfect seal, even under low-pressure conditions, ensuring reliable performance.
» Wide Disc Opening: The disc opens up to 85°, ensuring a low pressure drop and efficient fluid flow.