The Seal-Welded Ball Valves Plant in China offers high-quality 2-piece ball valves with a cast carbon steel body made from ASTM A216 WCB material. These 1-inch (DN25) valves are designed for a maximum pressure rating of 2000 PSI and feature NPT threaded ends for secure connections. The full port design ensures minimal flow restriction, while the lever handle provides easy operation.
Product Name: Seal-Welded Ball Valves, 2PC, Full Port
Body Material: ASTM A216 WCB, Cast Carbon Steel Body
Size: 1 Inch, DN25
Pressure: 2000 PSI
End Connection: NPT Threaded
Operation: Lever
Medium: Water, Oil, Gas, etc
Temperature Range: -20°C to 150°C
The 2000 PSI threaded high-pressure ball valve is designed for flow control and shut-off in hydraulic, fluid, and oil-gas pipelines. This valve is characterized by its compact structure, reliable sealing, simple design, and ease of maintenance. It is resistant to media erosion and offers easy operation and maintenance. Key features include low flow resistance, reliable sealing performance, convenient operation, and an aesthetically pleasing appearance.
Structural Features
» Port: Full Prot
» Size: 1/4 Inch to 4 Inches
» Pressure: 2000 PSI
» Body: Stainless Steel ASTM A351 CF8M
» SEAT: RPTFE/MPTFE
» Ends: ASME B1.20.1(NPT)
» DIN 259/DIN 2999/ISO 228/BSP/PT
» 2-Piece Investment Casting Body
» Seal-Weld Body
» Adjustable Packing Gland
» Blow-out-Proof Stem
» Lockable Lever Handle
» 150 PSI Saturated Steam
» 250 PSI Steam Service (Multi-Seal Seat)
» Spring Return Oval Handle
» Test Standard: API 598/ASME B16.34 NACE MR0175
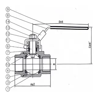
Structural Diagram

Materials of Main Parts
|
Item |
PART |
MATERIAL |
|
1 |
BODY |
A216 WCB(CS) |
|
2 |
BALL |
SS 316, SS 304 |
|
3 |
END CAP |
A216 WCB(CS) |
|
4 |
SEAT |
RPTFE |
|
5 |
BODY SEAL |
RPTFE |
|
6 |
STEM |
SS 316, SS 304 |
|
7 |
SETM SEAL |
PTFE |
|
8 |
HANDLE |
SS 201 |
|
9 |
HANDLE COVER |
PVC |
|
10 |
THRUST WASHER |
RPTFE |
|
11 |
GLAND NUT |
SS 304 |
|
12 |
HANDLE WASHER |
SS 304 |
|
13 |
HANDLE NUT |
A2-70(SS) |
|
14 |
LOCKING PAD |
SS 201 |
Main Dimensions (mm)
|
Size |
Port |
Pressure |
A |
B |
C |
D |
Kgs |
|
1/4 Inch |
FP |
2000 PSI |
53 |
8 |
52 |
90 |
0.25 |
|
3/8 Inch |
FP |
2000 PSI |
53 |
10 |
52 |
90 |
0.25 |
|
1/2 Inch |
FP |
2000 PSI |
57 |
15 |
58 |
100 |
0.29 |
|
3/4 Inch |
FP |
2000 PSI |
66 |
20 |
61 |
110 |
0.45 |
|
1 Inch |
FP |
2000 PSI |
80 |
25 |
70 |
120 |
0.74 |
|
1-1/4 Inch |
FP |
2000 PSI |
94 |
32 |
75 |
160 |
1.20 |
|
1-1/2 Inch |
FP |
2000 PSI |
101.5 |
38 |
90 |
160 |
1.46 |
|
2 Inch |
FP |
2000 PSI |
116 |
50 |
106 |
175 |
2.10 |
|
2-1/2 Inch |
FP |
2000 PSI |
156 |
65 |
133 |
220 |
4.60 |
|
3 Inch |
FP |
2000 PSI |
178 |
80 |
140 |
235 |
6.55 |
|
4 Inch |
FP |
2000 PSI |
226 |
100 |
160 |
358 |
12.50 |