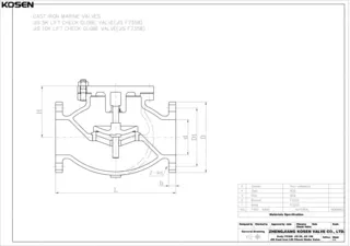
The Marine Lift Check Globe Valve is designed according to the JIS F7358 standard, featuring a robust Cast Iron FC200 body. With a JIS 65A size (2-1/2 inch) and a JIS 5K pressure rating, it ensures reliable operation in marine systems. The valve is equipped with FF flanged end connections for secure installation and efficient flow control.
Product Name: JIS F7358 Lift Check Globe Valve
Structure: Lift Check Globe Valve
Design Standard: JIS F7358
Body Material: Cast Iron FC200
Size: JIS 65A, 2-1/2 Inch
Pressure: JIS 5K
End Connection: FF Flanged
Product Range
Port Size: JIS 50A-150A, 2-6 Inch
Pressure Rating: JIS 5K, JIS 10K
Structure: Lift Check Globe Valve
Temperature Range: -29°C to 345°C
Body Material: Ductile Iron, Carbon Steel, Stainless Steel
Connection: FF Flange
Medium: Sea Water, Fresh Water, Oil, etc.
This lift check globe valve is designed to allow flow in one direction and prevent reverse flow, ensuring efficient and reliable operation across various media. It is ideal for applications involving sea water, fresh water, and oil under varying temperature and pressure conditions.
Materials of Main Parts
|
NO |
Part name |
Material |
|
1 |
Body |
FC200 |
|
2 |
Bonnet |
FC200 |
|
3 |
Disc |
BC6 |
|
4 |
Seat |
BC6 |
|
5 |
Gasket |
Non-asbestos |
