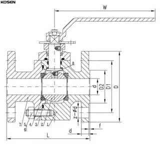
Product Name: Forged Floating Ball Valve
Design Standard: API 6D, BS 5351
Body Material: ASTM A105N
Size: 1-1/2 Inch, DN40
Pressure: Class 150 LB, PN20
End Connection: RF Flanged
Operation: Lever
Forged Floating Ball Valves are designed with a ball supported by two PTFE seats, one on the upstream side and the other on the downstream side. The upstream pressure pushes the ball toward the downstream seat, compressing it to achieve a complete shutoff of fluid flow. All our Cast Floating Ball Valves are manufactured with high-quality castings and a fire-safe design, certified according to BS 6755, API 607, and API 6FA, and meet applicable ASME standards.
These valves are available in various body types, including One-Piece Uni-body, Two-Piece Split Body, and Three-Piece Bolted Body configurations. Manufactured to the latest international standards such as API 6D, ASME B16.34, and BS 5351 (or their equivalents), these valves feature standard attributes like fire safety, anti-static design, and blow-out prevention.
Technical Specifications
» Size Range: NPS 1/2-10 Inch (DN15-DN250)
» Design Pressure: Class 150-1500 LB (PN10-PN250)
» Materials: Forged Carbon Steel, Stainless Steel, Duplex Steel, or other special materials (ASTM A105N, A350 LF2, A182 F11, F22, F304, F304L, F316, F316L)
» Trim Materials: 13%Cr, SS 304, SS 304L, SS 316, SS 316L, and other special materials
» Seat Materials: Nylon, RPTFE, PEEK
» End Connections: RF and RTJ flange, welded
» Operation: Handle, worm gear, electric, pneumatic
» Temperature Range: -46°C to 120°C
» Medium: Water, gas, oil, etc.
» Design and Manufacture: API 6D, BS 5351, ASME B16.34
» Face-to-Face (End-to-End): ASME B16.10
» Flanged Connection: ASME B16.5
» Test and Inspection: API 598, API 6D
» Butt Welded End: ASME B16.25
» Fire Safety: API 607, API 6A

Product Features
» Low Operating Torque
» Emergency Sealing Device
» Fireproof Structural Design
» Anti-static Design
» Reliable Seat Sealing Structure
» Special Structure for Automatic Pressure Relief Toward Upstream
» Blow-out Proof Stem with Flyout Prevention Structure
» Corrosion Resistance and Sulfide Stress Resistance
» Optional Locking Device or Stem Extension
» Optional Direct Mounting to ISO 5211
» Full Port or Reduced Bore