The ASTM A494 CW6MC Swing Check Valves Supplier offers high-quality valves designed in compliance with API 6D standards. These valves feature a nickel alloy body, providing excellent corrosion resistance and durability. Available in a 3-inch size with a DN80 rating, they are designed for Pressure Class 900 LB and PN150 applications. The valves come with butt weld ends for seamless integration into piping systems and a bolted cover for easy maintenance and inspection.
Product Name: ASTM A494 CW6MC Swing Check Valves, Bolted Cover
Type: Swing Check Valve
Design Standard: API 6D
Body Material: ASTM A494 CW6MC
Size: 3 Inch, DN80
Pressure: Class 900 LB, PN150
End Connection: Butt Weld
Medium: Water, Oil, Gas, etc
Temperature Range: -29°C to 595°C
Universal Cast Steel Check Valves are meticulously designed and manufactured in strict accordance with international standards such as API 6D, BS1868, ASME B16.34, or equivalent. These valves are engineered to minimize flow resistance and pressure drop, ensuring optimal performance. They are specifically designed for horizontal installation, with a lapped and screwed seat ring that guarantees a tight seal and long-lasting service. The valve disc is precisely designed, accurately machined, and guided to achieve efficient automatic shut-off at zero pressure. The valves feature a compact structure and low-emission service capabilities. In their standard configuration, swing check valves come with a bolted cover and a free-swinging clapper, which acts as the closing member and responds to the prevailing flow conditions. While swing check valves are ideally suited for horizontal pipeline installations, heavier disc weights may lead to chattering issues. In such cases, dampers or counterweights should be provided to mitigate these problems.
Technical Specification
» Type: Swing Check Valve
» Nominal Diameter: NPS 2-24 Inch (DN50-DN600)
» Design Pressure: Class 150-2500 LB (PN10-PN420)
» Material: ASTM A216 WCB, WCC, 217 WC6, WC9, C5, C12A, A352 LCB, LCC, A351 CF8, CF8M, CF3M, CF8C
» End Connections: Flanged (FF, RF, RTJ) to international standards
» Design and Manufacture: BS 1868, API 6D, DIN 3352
» Face to Face (End to End): ANSI B16.10, EN 558 series
» Flanged Connection: ASME B16.5, ASME B16.47, EN 1092 series
» Butt Welded End: ANSI B16.25
» Test and Inspection: API 598, ISO 5208, EN 12266-1
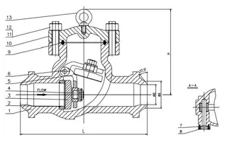
Structural Diagram

Product Features
» Preventing Backflow: The cast steel swing check valve is designed to prevent backflow in the pipeline. It allows the media to flow through the valve in a straight line, resulting in minimal pressure drop. As the media flows, the disc swings into the open position. When back pressure occurs, the disc is held in the closed position, effectively stopping reverse flow.
» Flexible Installation Options: Cast steel swing check valves can be installed in either horizontal or vertical lines. However, it is crucial to install them in the correct orientation relative to the media flow, as indicated by the flow direction arrow marked on the valve body.
» Customizable Accessories: A variety of accessories are available to meet different customer requirements. These include bypasses, locking devices, counterweights, and more, providing additional functionality and customization options for the valve.