Product Name: Non-rising Stem Knife Gate Valve, Unidirectional
Body Material: ASTM A351 CF8M
Size: DN600, 24 Inch
Pressure: PN10, Class 150 LB
End Connection: Wafer Type
Operation: Handwheel
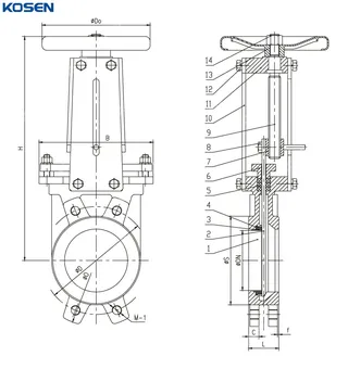
The KN-series manual knife gate valve is a unidirectional wafer knife-edge gate valve designed for on-off operation in industrial pipelines. Its innovative body and seat structure effectively prevent clogging and ensure reliable shutoff in applications with fine particles. The beveled knife edge allows the gate to easily cut through thick or abrasive media. Various configurations are available to suit different operational needs, including non-rising stem, wafer, lugged, pneumatic, electric, manual, and bevel gear knife gate valves.
Technical Specifications
» Structure: Unidirectional wafer knife-edge gate valve
» Nominal Diameter: NPS 2–24 Inch (DN50–DN600)
» Design Pressure: PN10, PN16, Class 150 LB
» Temperature Range: -29°C to 538°C
» Max Working Pressure:
DN50–DN250: 10 bar
DN300–DN450: 7 bar
DN500–DN600: 4 bar
» Body Material: Carbon Steel, Stainless Steel, Special Alloys, etc.
» Disc Material: Stainless Steel, Chrome Plated, Special Alloys, etc.
» Seat Material:
Stainless Steel + STL
EPDM (120°C)
Viton (200°C)
PTFE (200°C)
NBR (80°C)
» Flange Standard: GB/T 9113.1, JB/T 79.1, HG 20592, ASME B16.5, EN 1092-1
» Face-to-Face: MSS SP-81
» Applications: Pulp & Paper, Water Treatment, Beverage & Food, Fine Chemicals, Power Plants, Steel Industry, and more

Product Features
» High Flow Capacity with Low Pressure Drop: The gate features rounded edges, which help to prolong the service life of the rings and packing by reducing wear.
» Directional Arrow: Clearly marked on the body to indicate the correct mounting position, ensuring proper valve installation.
» Protector Tube: Provides added protection for critical components, extending the valve's lifespan and performance.
» Interchangeable Drives: The valve offers flexibility with interchangeable drives between the handwheel and pneumatic actuator for easy operation.
» Corrosion Protection: The valves are coated with epoxy paint to provide superior protection against corrosion, enhancing durability.
» Recommended for Water with Solid Particles: Ideal for use in water systems with up to 5% solid particle concentration, ensuring reliable performance in challenging conditions.